 
        
           
        
          Трябва да сте влезли в
Category
 
         
               
               
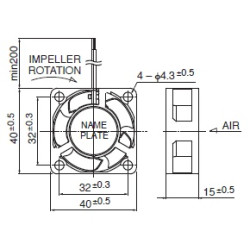
              Снимките са само с информационна цел. Вижте спецификацията на продукта
please use latin characters
Интересувате ли се от този продукт? Имате ли нужда от допълнителна информация или индивидуални цени?
Трябва да сте влезли
Your review appreciation cannot be sent
Report comment
Report sent
Your report cannot be sent
Напишете свой отзив
Review sent
Your review cannot be sent
