


Трябва да сте влезли в
Category
Снимките са само с информационна цел. Вижте спецификацията на продукта
please use latin characters
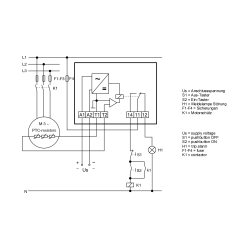
Това компактно устройство е най-малката версия на всички наши PTCresistor релета.
Интересувате ли се от този продукт? Имате ли нужда от допълнителна информация или индивидуални цени?
Трябва да сте влезли
Това компактно устройство е най-малката версия на всички наши PTCresistor релета.
Your review appreciation cannot be sent
Report comment
Report sent
Your report cannot be sent
Напишете свой отзив
Review sent
Your review cannot be sent