Снимките са само с информационна цел. Вижте спецификацията на продукта

please use latin characters

Производител: Acer Voltage

PSP 4/10/III - Защита от пренапрежение - 92002

  • PSP 4/10/III
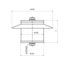
  • Височина 110 mm
  • Ниво на защита IP65
  • Обхват на работна температура - 40°C ... + 55 °C
  • Тежест 2,5 kg
  • Номинален разряден ток (8/20) 10 kA
  • Импулс с висок ток (4/10) 2 x 100 kA
  • Импулс с дълга продължителност (2 ms) 850 A
  • Клас на разряд по EN 60099-4 3
  • Остатъчно напрежение при In ≤ 10,7 kV
  • Постоянно работно напрежение (DC) UC(=Ur) 4,2 kV
  • Приложение в мрежи 3000 V
Аварийните отводители PSP */10/III са предназначени за защита на тягови подстанции и свързаните с тях постояннотокови тягови мрежи от атмосферни и комутационни пренапрежения. Използват се за защита на тягови мрежи, електрическо оборудване на тролейбуси, трамваи и електрически локомотиви. Не изискват поддръжка по време на работа. Серията PSP */10/III е предназначена за външна и вътрешна употреба. Функционалната част на аварийните отводители е колона от варистори, оразмерени за непрекъснато работно напрежение Uc. Материалът на корпуса демонстрира висока устойчивост на въздействието на повърхностни токове, генерирани от протичане на заряд или електрически дъги. Той има хидрофобни свойства и демонстрира отлична устойчивост на атмосферни влияния, замърсяване и UV лъчение. Капаците, свързващите винтове, гайките и клемите са изработени от неръждаема стомана. Конструкцията и техническите параметри на аварийните отводители от серия PSP отговарят на ČSN EN 60099-4 изд. 3: 2018 г., IEC 60099-4: 2014 г. и ČSN EN 50526-1: 2012 г., EN 50526-1: 2012 г.

Изпратете запитване

Интересувате ли се от този продукт? Имате ли нужда от допълнителна информация или индивидуални цени?

Свържете се с нас
ПОИСКАЙТЕ ПРОДУКТА close
Благодарим ви, че изпратихте съобщението си. Ние ще отговорим възможно най-скоро.
ПОИСКАЙТЕ ПРОДУКТА close
Преглед

Добави към списъка с желания

Трябва да сте влезли

  • Височина 110 mm
  • Ниво на защита IP65
  • Обхват на работна температура - 40°C ... + 55 °C
  • Тежест 2,5 kg
  • Номинален разряден ток (8/20) 10 kA
  • Импулс с висок ток (4/10) 2 x 100 kA
  • Импулс с дълга продължителност (2 ms) 850 A
  • Клас на разряд по EN 60099-4 3
  • Остатъчно напрежение при In ≤ 10,7 kV
  • Постоянно работно напрежение (DC) UC(=Ur) 4,2 kV
  • Приложение в мрежи 3000 V
Аварийните отводители PSP */10/III са предназначени за защита на тягови подстанции и свързаните с тях постояннотокови тягови мрежи от атмосферни и комутационни пренапрежения. Използват се за защита на тягови мрежи, електрическо оборудване на тролейбуси, трамваи и електрически локомотиви. Не изискват поддръжка по време на работа. Серията PSP */10/III е предназначена за външна и вътрешна употреба. Функционалната част на аварийните отводители е колона от варистори, оразмерени за непрекъснато работно напрежение Uc. Материалът на корпуса демонстрира висока устойчивост на въздействието на повърхностни токове, генерирани от протичане на заряд или електрически дъги. Той има хидрофобни свойства и демонстрира отлична устойчивост на атмосферни влияния, замърсяване и UV лъчение. Капаците, свързващите винтове, гайките и клемите са изработени от неръждаема стомана. Конструкцията и техническите параметри на аварийните отводители от серия PSP отговарят на ČSN EN 60099-4 изд. 3: 2018 г., IEC 60099-4: 2014 г. и ČSN EN 50526-1: 2012 г., EN 50526-1: 2012 г.
Коментари (0)