Zdjęcia mają charakter wyłącznie informacyjny. Zobacz specyfikację produktu

proszę używać znaków łacińskich

Producent: Acer Voltage

PSP 4/10/III - Ogranicznik przepięć - 92002

  • PSP 4/10/III
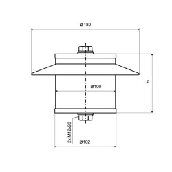
  • Wysokość 110 mm
  • Stopień ochrony IP65
  • Zakres temp. pracy - 40°C ... + 55 °C
  • Waga 2,5 kg
  • Znamionowy prąd wyładowczy ogranicznika (8/20) 10 kA
  • Impuls wysokiego natężenia prądu (4/10) 2 x 100 kA
  • Impuls o długim czasie trwania (2 ms) 850 A
  • Klasa rozładowania linii zgodnie z EN 60099-4 3
  • Napięcie resztkowe przy In ≤ 10,7 kV
  • Napięcia ciągłej pracy (DC) UC(=Ur) 4,2 kV
  • Zastosowanie w sieciach 3000 V
PSP */10/III ograniczniki przepięć przeznaczone do ochrony podstacji trakcyjnych oraz powiązanych z nimi sieci trakcyjnych DC przed oddziaływaniem przepięć atmosferycznych i łączeniowych. Stosowane do zabezpieczania sieci trakcyjnych, wyposażenia elektrycznego trolejbusów, tramwajów i lokomotyw elektrycznych. W trakcie eksploatacji nie wymagają żadnych czynności serwisowych. Seria PSP */10/III jest przeznaczona do zastosowań na zewnątrz i wewnątrz budynków. Część funkcyjną ograniczników stanowi kolumna warystorów zwymiarowanych na wartość napięcia ciągłego pracy Uc. Materiał obudowy wykazuje wysoką odporność na oddziaływanie prądów powierzchniowych powstałych w wyniku rozpływu ładunku, czy łuku elektrycznego. Ma właściwości hydrofobowe i wykazuje znakomitą odporność na wpływy atmosferyczne, zanieczyszczenia i promieniowanie UV. Wieczka osłon, śruby przyłączeniowe, nakrętki i zaciski wykonane są ze stali nierdzewnej. Wykonanie i parametry techniczne ograniczników przepięć serii PSP są zgodne z normami ČSN EN 60099‑4 wyd. 3: 2018, IEC 60099‑4: 2014 i ČSN EN 50526‑1: 2012, EN 50526‑1: 2012.

Wyślij zapytanie ofertowe

Jesteś zainteresowany tym produktem? Potrzebujesz dodatkowych informacji lub indywidualnej wyceny?

Skontaktuj się z nami
ZAPYTAJ O PRODUKT close
Dziękujemy za przesłanie wiadomości. Odpowiemy możliwie najszybciej.
ZAPYTAJ O PRODUKT close
Przeglądaj

Dodaj do schowka

Musisz być zalogowany/a

  • Wysokość 110 mm
  • Stopień ochrony IP65
  • Zakres temp. pracy - 40°C ... + 55 °C
  • Waga 2,5 kg
  • Znamionowy prąd wyładowczy ogranicznika (8/20) 10 kA
  • Impuls wysokiego natężenia prądu (4/10) 2 x 100 kA
  • Impuls o długim czasie trwania (2 ms) 850 A
  • Klasa rozładowania linii zgodnie z EN 60099-4 3
  • Napięcie resztkowe przy In ≤ 10,7 kV
  • Napięcia ciągłej pracy (DC) UC(=Ur) 4,2 kV
  • Zastosowanie w sieciach 3000 V
PSP */10/III ograniczniki przepięć przeznaczone do ochrony podstacji trakcyjnych oraz powiązanych z nimi sieci trakcyjnych DC przed oddziaływaniem przepięć atmosferycznych i łączeniowych. Stosowane do zabezpieczania sieci trakcyjnych, wyposażenia elektrycznego trolejbusów, tramwajów i lokomotyw elektrycznych. W trakcie eksploatacji nie wymagają żadnych czynności serwisowych. Seria PSP */10/III jest przeznaczona do zastosowań na zewnątrz i wewnątrz budynków. Część funkcyjną ograniczników stanowi kolumna warystorów zwymiarowanych na wartość napięcia ciągłego pracy Uc. Materiał obudowy wykazuje wysoką odporność na oddziaływanie prądów powierzchniowych powstałych w wyniku rozpływu ładunku, czy łuku elektrycznego. Ma właściwości hydrofobowe i wykazuje znakomitą odporność na wpływy atmosferyczne, zanieczyszczenia i promieniowanie UV. Wieczka osłon, śruby przyłączeniowe, nakrętki i zaciski wykonane są ze stali nierdzewnej. Wykonanie i parametry techniczne ograniczników przepięć serii PSP są zgodne z normami ČSN EN 60099‑4 wyd. 3: 2018, IEC 60099‑4: 2014 i ČSN EN 50526‑1: 2012, EN 50526‑1: 2012.
Komentarze (0)