

Musíte být přihlášen
Category
Fotografie slouží pouze pro informační účely. Zobrazit specifikaci produktu
please use latin characters
Typ tyristoru | IT(AV)/TC [A/°C] | UDRM [V] | ITSM [A] | I2t [A2s] | IGT [mA] | tq [µs] | duD/dt [V/µs] | Rthjc [°C/W] | Rthcs [°C/W] | Utahovací moment Nm [kN] | Pouzdro |
---|---|---|---|---|---|---|---|---|---|---|---|
ST 083S... | 85/85 | 400-1200 | 2450 | 30000 | 200 | 10-20 | 500 | 0,195 | 0,08 | 15,5 | TO-209AC (TO-94) |
ST 103S... | 105 /85 | 400-800 | 3000 | 45000 | 200 | 10-15 | 500 | 0,195 | 0,08 | 15,5 | |
ST 173S... | 175 /85 | 1000-1200 | 4680 | 110000 | 200 | 18-20 | 500 | 0,105 | 0,04 | 24,5 | TO-209AB (TO-93) |
ST 183S... | 195 /85 | 400-800 | 4900 | 120000 | 200 | 10-15 | 500 | 0,105 | 0,04 | 24,5 | |
ST 203S... | 205 /85 | 1000-1200 | 5260 | 138000 | 200 | 25 | 500 | 0,105 | 0,04 | 24,5 | |
ST 223S... | 220 /85 | 400-800 | 5850 | 171000 | 200 | 10-15 | 500 | 0,105 | 0,04 | 24,5 | |
ST 303S... | 300 /65 | 400-1200 | 7950 | 316000 | 200 | 10-25 | 500 | 0,1 | 0,03 | 48,5 | TO-209AE (TO-118) |
ST 333S... | 330 /75 | 400-800 | 11000 | 605000 | 200 | 12-15 | 500 | 0,1 | 0,03 | 48,5 | |
ST 173C..C.. | 330 /55 | 1000-1200 | 4680 | 110000 | 200 | 18-20 | 500 | 0,08 | 0,017 | 4,9 | TO-200AB (A-Puk) |
ST 183C..C.. | 370 /55 | 400-800 | 4900 | 120000 | 200 | 10-15 | 500 | 0,08 | 0,017 | 4,9 | |
ST 203C..C.. | 370 /55 | 1000-1200 | 5260 | 138000 | 200 | 25 | 500 | 0,08 | 0,017 | 4,9 | |
ST 223C..C.. | 390 /55 | 400-800 | 5850 | 171000 | 200 | 10-15 | 500 | 0,08 | 0,017 | 5,9 | |
ST 303C..C.. | 620 /55 | 400-1200 | 7950 | 316000 | 200 | 10-25 | 500 | 0,04 | 0,01 | 9,8 | TO-200AB (E-Puk) |
ST 333C..C.. | 720 /55 | 400-800 | 11000 | 605000 | 200 | 12-15 | 500 | 0,04 | 0,01 | 9,8 | |
ST 303C..L.. | 515 /55 | 400-1200 | 7950 | 316000 | 200 | 10-25 | 500 | 0,05 | 0,005 | 9,8 | TO-200AC (B-Puk) |
ST 333C..L.. | 620 /55 | 400-800 | 11000 | 605000 | 200 | 12-15 | 500 | 0,05 | 0,005 | 9,8 | |
ST 733C..L.. | 940 /55 | 400-800 | 20000 | 2000000 | 200 | 12-15 | 500 | 0,031 | 0,005 | 14,7 | TO-200AC (B-Puk) |
Kod | N | M | L | P | K | J |
---|---|---|---|---|---|---|
tq | 10 | 12 | 15 | 18 | 20 | 25 |
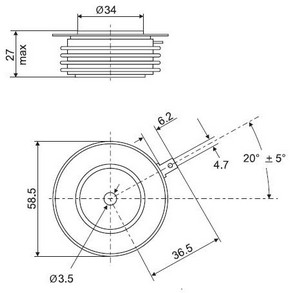
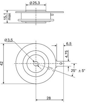
Výkres TO-209AB(TO-93) | Výkres TO-209AB(TO-94) | Výkres TO-209AB(TO-118) |
![]() | ![]() | ![]() |
Pouzdro - TO-65 | Pouzdro - TO-200AB (A-Puk) |
![]() | ![]() |
Pouzdro - TO-200AB (E-Puk) | Pouzdro - TO-200AC (B-Puk) |
![]() | ![]() |
Pouzdro - A-24 (K-Puk) | Pouzdro - A-36 (R-Puk) |
![]() | ![]() |
Máte zájem o tento produkt? Potřebujete další informace nebo individuální ceny?
musíš být přihlášen
Typ tyristoru | IT(AV)/TC [A/°C] | UDRM [V] | ITSM [A] | I2t [A2s] | IGT [mA] | tq [µs] | duD/dt [V/µs] | Rthjc [°C/W] | Rthcs [°C/W] | Utahovací moment Nm [kN] | Pouzdro |
---|---|---|---|---|---|---|---|---|---|---|---|
ST 083S... | 85/85 | 400-1200 | 2450 | 30000 | 200 | 10-20 | 500 | 0,195 | 0,08 | 15,5 | TO-209AC (TO-94) |
ST 103S... | 105 /85 | 400-800 | 3000 | 45000 | 200 | 10-15 | 500 | 0,195 | 0,08 | 15,5 | |
ST 173S... | 175 /85 | 1000-1200 | 4680 | 110000 | 200 | 18-20 | 500 | 0,105 | 0,04 | 24,5 | TO-209AB (TO-93) |
ST 183S... | 195 /85 | 400-800 | 4900 | 120000 | 200 | 10-15 | 500 | 0,105 | 0,04 | 24,5 | |
ST 203S... | 205 /85 | 1000-1200 | 5260 | 138000 | 200 | 25 | 500 | 0,105 | 0,04 | 24,5 | |
ST 223S... | 220 /85 | 400-800 | 5850 | 171000 | 200 | 10-15 | 500 | 0,105 | 0,04 | 24,5 | |
ST 303S... | 300 /65 | 400-1200 | 7950 | 316000 | 200 | 10-25 | 500 | 0,1 | 0,03 | 48,5 | TO-209AE (TO-118) |
ST 333S... | 330 /75 | 400-800 | 11000 | 605000 | 200 | 12-15 | 500 | 0,1 | 0,03 | 48,5 | |
ST 173C..C.. | 330 /55 | 1000-1200 | 4680 | 110000 | 200 | 18-20 | 500 | 0,08 | 0,017 | 4,9 | TO-200AB (A-Puk) |
ST 183C..C.. | 370 /55 | 400-800 | 4900 | 120000 | 200 | 10-15 | 500 | 0,08 | 0,017 | 4,9 | |
ST 203C..C.. | 370 /55 | 1000-1200 | 5260 | 138000 | 200 | 25 | 500 | 0,08 | 0,017 | 4,9 | |
ST 223C..C.. | 390 /55 | 400-800 | 5850 | 171000 | 200 | 10-15 | 500 | 0,08 | 0,017 | 5,9 | |
ST 303C..C.. | 620 /55 | 400-1200 | 7950 | 316000 | 200 | 10-25 | 500 | 0,04 | 0,01 | 9,8 | TO-200AB (E-Puk) |
ST 333C..C.. | 720 /55 | 400-800 | 11000 | 605000 | 200 | 12-15 | 500 | 0,04 | 0,01 | 9,8 | |
ST 303C..L.. | 515 /55 | 400-1200 | 7950 | 316000 | 200 | 10-25 | 500 | 0,05 | 0,005 | 9,8 | TO-200AC (B-Puk) |
ST 333C..L.. | 620 /55 | 400-800 | 11000 | 605000 | 200 | 12-15 | 500 | 0,05 | 0,005 | 9,8 | |
ST 733C..L.. | 940 /55 | 400-800 | 20000 | 2000000 | 200 | 12-15 | 500 | 0,031 | 0,005 | 14,7 | TO-200AC (B-Puk) |
Kod | N | M | L | P | K | J |
---|---|---|---|---|---|---|
tq | 10 | 12 | 15 | 18 | 20 | 25 |
Výkres TO-209AB(TO-93) | Výkres TO-209AB(TO-94) | Výkres TO-209AB(TO-118) |
![]() | ![]() | ![]() |
Pouzdro - TO-65 | Pouzdro - TO-200AB (A-Puk) |
![]() | ![]() |
Pouzdro - TO-200AB (E-Puk) | Pouzdro - TO-200AC (B-Puk) |
![]() | ![]() |
Pouzdro - A-24 (K-Puk) | Pouzdro - A-36 (R-Puk) |
![]() | ![]() |
Vaše hodnocení nelze odeslat
Nahlásit komentář
Zpráva odeslána
Váš podnět nelze odeslat
Napište svůj názor
Zkontrolovat před odesláním
Vaši recenzi nelze odeslat