

Musíte být přihlášen
Category
Fotografie slouží pouze pro informační účely. Zobrazit specifikaci produktu
please use latin characters
Złącza BNC z zamkiem bagnetowym do zastosowań ogólnych
Dobre parametry elektryczne i mechaniczne. Połączenia przez dławiki i zaciskanie.
Wysoka trwałość. Zastosowanie przy sygnałach wysokiej częstotliwości.
Normy i warunki techniczne: MIL-C-39012, IEC 169-8, CECC 22120, NF-C-93564, seria KBN
Impedancja falowa:
|
50 Ω | 75 Ω |
Częstotliwość robocza:
|
||
- możliwa:
|
do 10GHz | do 1,5GHz |
- zalecana:
|
do 4GHz | do 1GHz |
Napięcie robocze / probiercze:
|
500/ 1500Vrms | |
Temperatura robocza:
|
- 65°C do 165°C |
Materiał: | |
Części elastyczne:
|
brąz berylowy obrobiony |
Części metalowe:
|
mosiądz niklowany |
Części izolacyjne:
|
PTFE - teflon |
Uszczelki:
|
elastomer silikonowy |
Przewód wewnętrzny:
|
złocony |
Nr producenta | Opis | |
---|---|---|
![]() |
R 141 003 000 W |
Wtyk na kabel
z dławikiem kabel Ø 2mm, RG 178, 50 Ω wymiar a = 2,2mm max. |
R 141 004 000 W |
Wtyk na kabel
jak wyżej, ale kabel RG 174, 50 + 75 Ω wymiar a = 3,0mm max. |
|
![]() |
R 141 007 000 W*) |
Wtyk na kabel
UG-88/U, z dławikiem kabel Ø 5mm, RG 58, 50 Ω wymiar a = 5,6mm max. *) Możliwa dostawa w korzystnej cenie wersji przemysłowej, patrz nr kat. 095 62 30 |
R 141 011 000 W |
Wtyk na kabel
UG-260/U, z dławikiem kabel Ø 6mm, RG 59, 75 Ω wymiar a = 6,6mm max. |
|
![]() |
R 141 008 000 W |
Wtyk na kabel
UG-88 C/U, z dławikiem kabel Ø 5mm, RG 58, 50 Ω wymiar a = 5,6mm max. |
R 141 009 000 W |
Wtyk na kabel
UG-88 E/U, KBN 1, dławnica kabel Ø 5mm, RG 58, 50 Ω wymiar a = 5,6mm max. |
|
![]() |
R 141 010 000 W |
Wtyk na kabel
UG-88 G/U, z dławikiem Przewód wewnętrzny do lutowania lub zaciskania. kabel Ø 5mm, RG 58, 50 Ω wymiar a = 5,6mm max. |
![]() |
R 141 012 000 W |
Wtyk na kabel
UG-260 B/U kabel Ø 6mm, RG 59, RG 62 75 + 93 Ω. Wymiar a = 6,6mm max. |
R 141 018 000 W |
Wtyk na kabel
z dławikiem kabel Ø 11mm, RG 213, 50Ω |
|
![]() |
R 141 075 000 W*) |
Wtyk na kabel
do zaciskania kabel Ø 2,6mm, RG 174, 50 Ω
wymiar a = 3,0mm max. *) Możliwa dostawa w korzystnej cenie wersji przemysłowej, patrz nr kat. 095 62 40
|
![]() |
R 141 082 000 W*) |
Wtyk na kabel
UG-1785/U, KBN 21 do zaciskania kabel Ø 5mm, RG 58, 50 Ω wymiar a = 5,5mm max. *) Możliwa dostawa w korzystnej cenie wersji przemysłowej, patrz nr kat. 095 62 50
|
![]() |
R 141 156 000 W |
Wtyk na kabel kątowy
UG-913 A/U, KBN 33 z dławikiem kabel Ø 5mm, RG 58, 50 Ω wymiar a = 5,6mm max. |
![]() |
R 141 182 000 W |
Wtyk na kabel kątowy
do zaciskania kabel Ø 5mm, RG 58, 50 Ω wymiar a = 5,6mm max. |
![]() |
R 141 206 000 W |
Gniazdo kablowe
UG-89/U, z dławikiem kabel Ø 5mm, RG 58, 50 Ω wymiar a = 5,6mm max. |
![]() |
R 141 207 000 W |
Gniazdo kablowe
UG-89 C/U, z dławikiem kabel Ø 5mm, RG 58, 50 Ω wymiar a = 5,6mm max. |
R 141 210 000 W |
Gniazdo kablowe
UG-261 C/U, z dławikiem kabel Ø 6mm, RG 59, RG 6275 + 93 Ω wymiar a = 6,6mm max. |
|
![]() |
R 141 277 000 W |
Gniazdo na kabel
z izolowanym, kwadratowym kołnierzem z dławikiem kabel Ø 2,6mm, 50 + 75 Ω wymiar a = 3mm max. kołnierz z 4 otworami Ø 2,6 |
![]() |
R 141 237 000 W |
Gniazdo na kabel
UG-1794/U, do zaciskania kabel Ø 5mm, RG 58, 50 Ω wymiar a = 5,6mm max. |
![]() |
R 141 306 000 W |
Gniazdo na panel
montaż w otworze, do zaciskania kabel Ø 2,6mm, 50 + 75Ω wymiar a = 3mm max. |
|
R 141 308 000 W |
Gniazdo na panel
montaż w otworze, do zaciskania kabel Ø 5mm, RG 58, 50 Ω wymiar a = 5,5mm max. |
R 141 324 00 W |
Gniazdo na panel
montaż w otworze, wodoszczelne, z dławikiem kabel Ø 2,6mm, 50 + 75 Ω wymiar a = 3mm max. |
|
![]() |
R 141 327 000 W |
Gniazdo na panel
montaż w otworze, wodoszczelne, z dławikiem kabel Ø 5mm, RG 58, 50 Ω wymiar a = 5,6mm max. |
![]() |
R 141 332 500 W |
Gniazdo na panel
montaż w otworze, wodoszczelne, do zaciskania, kabel Ø 5mm, RG 58, 50 Ω wymiar a = 5,5mm max. |
![]() |
R 141 404 000 W |
Gniazdo na panel
UG-290 A/U, KBN 15 z kwadratowym kołnierzem, gwint 4 x M 2,5 wyprowadzenia lutowane |
R 141 407 000 W |
Gniazdo na panel
KBN 15 A, jak wyżej, ale kwadratowy kołnierz z 4 x Ø 2,6 |
|
![]() |
R 141 410 000 W |
Gniazdo na panel
z izolowanym, kwadratowym kołnierzem z 4 x Ø 2,6 |
R 141 554 000 W |
Gniazdo na panel
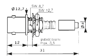
UG-625 B/U, do montażu w otworze, otwór Ø 11,2 mm, wyprowadzenia lutowane |
|
![]() |
R 141 557 000 W*) |
Gniazdo na panel |
![]() |
R 141 559 000 W |
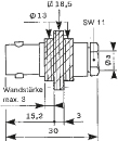
Gniazdo na panel
UG-1094 B/U, KBN 28montaż w otworze, otwór Ø 9,7 mm wyprowadzenia lutowane, możliwy montaż izolowany z podkładkami izolacyjnymi
R 280 902 000 Ω |
![]() |
R 141 572 000 W |
Gniazdo na panel do montażu izolowanego |
![]() |
R 141 440 000 W |
Wtyk na panel
z kwadratowym kołnierzem gwint 4x M2,5 x 0,45 |
![]() |
R 141 574 000 W*) |
Gniazdo na panel do montażu izolowanego
montaż w otworze, otwór Ø 9,7mm, wyprowadzenia lutowane |
![]() |
R 141 603 000 W |
Gniazdo na panel |
R 141 605 000 W |
Gniazdo na panel |
|
![]() |
R 141 625 000 W |
Gniazdo na panel
UG-912/U, KBN 27 montaż w otworze, hermetycznie szczelne |
![]() |
R 141 426 161 W |
Gniazdo na panel do druku, proste
odpowiednie dla 50 i 75 W do 1,5 GHz |
![]() |
R 141 665 161 W |
Gniazdo na panel do druku, kątowe |
![]() |
R 141 703 000 W |
Złącze przejściowe
UG-491 B/U wtyk - wtyk, proste |
![]() |
R 141 704 000 W |
Złącze przejściowe
UG-914/U gniazdo - gniazdo, proste |
![]() |
R 141 720 000 W*) |
Złącze przejściowe
gniazdo - gniazdo montaż w otworze, otwór Ø 12,8mm możliwy montaż izolowany z podkładkami R 280 907 *) Możliwa dostawa w korzystnej cenie wersji przemysłowej, patrz nr kat. 095 62 10 |
![]() |
R 141 723 000 W |
Złącze przejściowe
gniazdo - gniazdo montaż w otworze, otwór Ø 12,8mm izolowane |
![]() |
R 141 753 000 W |
Złącze przejściowe
UG-492 B/U, gniazdo - gniazdo montaż w otworze, otwór Ø 12,8mm hermetyczne |
![]() |
R 141 770 000 W |
Złącze przejściowe
UG-306 B/U, KBN 5gniazdo - wtyk, kątowe |
![]() |
R 141 780 000 W |
Złącze przejściowe
UG-274 B/U, KBN 19 trójnik, gniazdo - gniazdo - wtyk |
![]() |
R 141 782 000 W |
Złącze przejściowe
trójnik gniazdo - gniazdo - gniazdo |
|
R 141 789 000 W |
Złącze przejściowe
trójnik wtyk - gniazdo - gniazdo |
R 141 812 000 W |
Nakładka ochronna
CW 123 A/U do gniazd wtyk z łańcuchem |
|
![]() |
R 141 862 000 W |
Wtyk zwierający
CW 159/U z łańcuchem |
Máte zájem o tento produkt? Potřebujete další informace nebo individuální ceny?
musíš být přihlášen
Złącza BNC z zamkiem bagnetowym do zastosowań ogólnych
Dobre parametry elektryczne i mechaniczne. Połączenia przez dławiki i zaciskanie.
Wysoka trwałość. Zastosowanie przy sygnałach wysokiej częstotliwości.
Normy i warunki techniczne: MIL-C-39012, IEC 169-8, CECC 22120, NF-C-93564, seria KBN
Impedancja falowa:
|
50 Ω | 75 Ω |
Częstotliwość robocza:
|
||
- możliwa:
|
do 10GHz | do 1,5GHz |
- zalecana:
|
do 4GHz | do 1GHz |
Napięcie robocze / probiercze:
|
500/ 1500Vrms | |
Temperatura robocza:
|
- 65°C do 165°C |
Materiał: | |
Części elastyczne:
|
brąz berylowy obrobiony |
Części metalowe:
|
mosiądz niklowany |
Części izolacyjne:
|
PTFE - teflon |
Uszczelki:
|
elastomer silikonowy |
Przewód wewnętrzny:
|
złocony |
Nr producenta | Opis | |
---|---|---|
![]() |
R 141 003 000 W |
Wtyk na kabel
z dławikiem kabel Ø 2mm, RG 178, 50 Ω wymiar a = 2,2mm max. |
R 141 004 000 W |
Wtyk na kabel
jak wyżej, ale kabel RG 174, 50 + 75 Ω wymiar a = 3,0mm max. |
|
![]() |
R 141 007 000 W*) |
Wtyk na kabel
UG-88/U, z dławikiem kabel Ø 5mm, RG 58, 50 Ω wymiar a = 5,6mm max. *) Możliwa dostawa w korzystnej cenie wersji przemysłowej, patrz nr kat. 095 62 30 |
R 141 011 000 W |
Wtyk na kabel
UG-260/U, z dławikiem kabel Ø 6mm, RG 59, 75 Ω wymiar a = 6,6mm max. |
|
![]() |
R 141 008 000 W |
Wtyk na kabel
UG-88 C/U, z dławikiem kabel Ø 5mm, RG 58, 50 Ω wymiar a = 5,6mm max. |
R 141 009 000 W |
Wtyk na kabel
UG-88 E/U, KBN 1, dławnica kabel Ø 5mm, RG 58, 50 Ω wymiar a = 5,6mm max. |
|
![]() |
R 141 010 000 W |
Wtyk na kabel
UG-88 G/U, z dławikiem Przewód wewnętrzny do lutowania lub zaciskania. kabel Ø 5mm, RG 58, 50 Ω wymiar a = 5,6mm max. |
![]() |
R 141 012 000 W |
Wtyk na kabel
UG-260 B/U kabel Ø 6mm, RG 59, RG 62 75 + 93 Ω. Wymiar a = 6,6mm max. |
R 141 018 000 W |
Wtyk na kabel
z dławikiem kabel Ø 11mm, RG 213, 50Ω |
|
![]() |
R 141 075 000 W*) |
Wtyk na kabel
do zaciskania kabel Ø 2,6mm, RG 174, 50 Ω
wymiar a = 3,0mm max. *) Możliwa dostawa w korzystnej cenie wersji przemysłowej, patrz nr kat. 095 62 40
|
![]() |
R 141 082 000 W*) |
Wtyk na kabel
UG-1785/U, KBN 21 do zaciskania kabel Ø 5mm, RG 58, 50 Ω wymiar a = 5,5mm max. *) Możliwa dostawa w korzystnej cenie wersji przemysłowej, patrz nr kat. 095 62 50
|
![]() |
R 141 156 000 W |
Wtyk na kabel kątowy
UG-913 A/U, KBN 33 z dławikiem kabel Ø 5mm, RG 58, 50 Ω wymiar a = 5,6mm max. |
![]() |
R 141 182 000 W |
Wtyk na kabel kątowy
do zaciskania kabel Ø 5mm, RG 58, 50 Ω wymiar a = 5,6mm max. |
![]() |
R 141 206 000 W |
Gniazdo kablowe
UG-89/U, z dławikiem kabel Ø 5mm, RG 58, 50 Ω wymiar a = 5,6mm max. |
![]() |
R 141 207 000 W |
Gniazdo kablowe
UG-89 C/U, z dławikiem kabel Ø 5mm, RG 58, 50 Ω wymiar a = 5,6mm max. |
R 141 210 000 W |
Gniazdo kablowe
UG-261 C/U, z dławikiem kabel Ø 6mm, RG 59, RG 6275 + 93 Ω wymiar a = 6,6mm max. |
|
![]() |
R 141 277 000 W |
Gniazdo na kabel
z izolowanym, kwadratowym kołnierzem z dławikiem kabel Ø 2,6mm, 50 + 75 Ω wymiar a = 3mm max. kołnierz z 4 otworami Ø 2,6 |
![]() |
R 141 237 000 W |
Gniazdo na kabel
UG-1794/U, do zaciskania kabel Ø 5mm, RG 58, 50 Ω wymiar a = 5,6mm max. |
![]() |
R 141 306 000 W |
Gniazdo na panel
montaż w otworze, do zaciskania kabel Ø 2,6mm, 50 + 75Ω wymiar a = 3mm max. |
|
R 141 308 000 W |
Gniazdo na panel
montaż w otworze, do zaciskania kabel Ø 5mm, RG 58, 50 Ω wymiar a = 5,5mm max. |
R 141 324 00 W |
Gniazdo na panel
montaż w otworze, wodoszczelne, z dławikiem kabel Ø 2,6mm, 50 + 75 Ω wymiar a = 3mm max. |
|
![]() |
R 141 327 000 W |
Gniazdo na panel
montaż w otworze, wodoszczelne, z dławikiem kabel Ø 5mm, RG 58, 50 Ω wymiar a = 5,6mm max. |
![]() |
R 141 332 500 W |
Gniazdo na panel
montaż w otworze, wodoszczelne, do zaciskania, kabel Ø 5mm, RG 58, 50 Ω wymiar a = 5,5mm max. |
![]() |
R 141 404 000 W |
Gniazdo na panel
UG-290 A/U, KBN 15 z kwadratowym kołnierzem, gwint 4 x M 2,5 wyprowadzenia lutowane |
R 141 407 000 W |
Gniazdo na panel
KBN 15 A, jak wyżej, ale kwadratowy kołnierz z 4 x Ø 2,6 |
|
![]() |
R 141 410 000 W |
Gniazdo na panel
z izolowanym, kwadratowym kołnierzem z 4 x Ø 2,6 |
R 141 554 000 W |
Gniazdo na panel
UG-625 B/U, do montażu w otworze, otwór Ø 11,2 mm, wyprowadzenia lutowane |
|
![]() |
R 141 557 000 W*) |
Gniazdo na panel |
![]() |
R 141 559 000 W |
Gniazdo na panel
UG-1094 B/U, KBN 28montaż w otworze, otwór Ø 9,7 mm wyprowadzenia lutowane, możliwy montaż izolowany z podkładkami izolacyjnymi
R 280 902 000 Ω |
![]() |
R 141 572 000 W |
Gniazdo na panel do montażu izolowanego |
![]() |
R 141 440 000 W |
Wtyk na panel
z kwadratowym kołnierzem gwint 4x M2,5 x 0,45 |
![]() |
R 141 574 000 W*) |
Gniazdo na panel do montażu izolowanego
montaż w otworze, otwór Ø 9,7mm, wyprowadzenia lutowane |
![]() |
R 141 603 000 W |
Gniazdo na panel |
R 141 605 000 W |
Gniazdo na panel |
|
![]() |
R 141 625 000 W |
Gniazdo na panel
UG-912/U, KBN 27 montaż w otworze, hermetycznie szczelne |
![]() |
R 141 426 161 W |
Gniazdo na panel do druku, proste
odpowiednie dla 50 i 75 W do 1,5 GHz |
![]() |
R 141 665 161 W |
Gniazdo na panel do druku, kątowe |
![]() |
R 141 703 000 W |
Złącze przejściowe
UG-491 B/U wtyk - wtyk, proste |
![]() |
R 141 704 000 W |
Złącze przejściowe
UG-914/U gniazdo - gniazdo, proste |
![]() |
R 141 720 000 W*) |
Złącze przejściowe
gniazdo - gniazdo montaż w otworze, otwór Ø 12,8mm możliwy montaż izolowany z podkładkami R 280 907 *) Możliwa dostawa w korzystnej cenie wersji przemysłowej, patrz nr kat. 095 62 10 |
![]() |
R 141 723 000 W |
Złącze przejściowe
gniazdo - gniazdo montaż w otworze, otwór Ø 12,8mm izolowane |
![]() |
R 141 753 000 W |
Złącze przejściowe
UG-492 B/U, gniazdo - gniazdo montaż w otworze, otwór Ø 12,8mm hermetyczne |
![]() |
R 141 770 000 W |
Złącze przejściowe
UG-306 B/U, KBN 5gniazdo - wtyk, kątowe |
![]() |
R 141 780 000 W |
Złącze przejściowe
UG-274 B/U, KBN 19 trójnik, gniazdo - gniazdo - wtyk |
![]() |
R 141 782 000 W |
Złącze przejściowe
trójnik gniazdo - gniazdo - gniazdo |
|
R 141 789 000 W |
Złącze przejściowe
trójnik wtyk - gniazdo - gniazdo |
R 141 812 000 W |
Nakładka ochronna
CW 123 A/U do gniazd wtyk z łańcuchem |
|
![]() |
R 141 862 000 W |
Wtyk zwierający
CW 159/U z łańcuchem |
Vaše hodnocení nelze odeslat
Nahlásit komentář
Zpráva odeslána
Váš podnět nelze odeslat
Napište svůj názor
Zkontrolovat před odesláním
Vaši recenzi nelze odeslat