

Category
Фотографии предназначены только для информационных целей. Посмотреть спецификацию продукта
please use latin characters
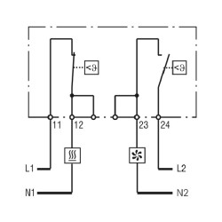
Размыкающий контакт (НЗ, нормально замкнутый) и замыкающий контакт (НО, нормально замкнутый) в одном корпусе. В отличие от термостатов с переключающими контактами, двойной термостат переключается независимо. Это позволяет коммутировать нагревательные и охлаждающие устройства в разных температурных диапазонах.
Вы заинтересованы в этом продукте? Вам нужна дополнительная информация или индивидуальные расценки?
Вы должны быть зарегистрированы
Размыкающий контакт (НЗ, нормально замкнутый) и замыкающий контакт (НО, нормально замкнутый) в одном корпусе. В отличие от термостатов с переключающими контактами, двойной термостат переключается независимо. Это позволяет коммутировать нагревательные и охлаждающие устройства в разных температурных диапазонах.
Не удаётся отправить вашу оценку отзыва
Пожаловаться на комментарий
Жалоба отправлена
Не удаётся отправить вашу жалобу
Оставьте свой отзыв
Отзыв отправлен
Не удаётся отправить отзыв