Category
Фотографии предназначены только для информационных целей. Посмотреть спецификацию продукта
please use latin characters
Основное оборудование для применения с одно- или двухканальными выключателями безопасности и гейтами безопасности
• категория приостановления 0 в соотв. с EN 60204-1
• применение до 4/3 категории в соотв. с EN 954-1
• категория безопасности: 4 (неинерционные контакты)/3 (инерционные контакты) в соотв. с EN 954-1
• задержка выключения от 0,15 до 3 s или от 1,5 до 30 s
• управление контактами или полупроводниками
• контроль кнопки повторного запуска, диагноз непрерывности соединений, контроль времени синхронизации
• 3 запускные цепи (2 неинерционные, 1 задержка включения)
• защита людей и машин
• контроль выключателя безопасности
• контроль подвижных защитных экранов
• задержка выключения работающей машины
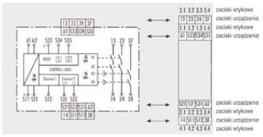
Описание прибора и функций
После подачи напряжения на зажимы A1/A2 и при закрытой схеме выключателя безопасности, функции управления включаются путем нажима кнопки повторного запуска. Реле от K1 до K4 после времени ответа закрываются. После этой фазы три цепи запуска на выходах 13/14, 23/24 и 37/38 закрываются (зажимы 13/14, 23/24 и 37/38). Три диоды LED показывают состояние внутренних реле K1/K2, K3/K4 и напряжения питания. Если кнопка безопасности нажимается, ток текущий от реле K1 до K4 прерывается. Неинерционные цепи запуска 13/14, 23/24 на выходе немедленно открываются после времени срабатывания tR1, контакт с задержкой включения 37/38 остается закрытым в течение времени tR2. Время задержки выключения остается в диапазоне от 0,15 до 3 s или от 1,5 до 30 s. В случае двухканального управления и проверки непрерывности соединений проводов сигнальных цепей, будет дополнительно проведена проверка ошибок непрерывности соединений и возможного замыкания на землю. Внутренняя электронная схема защищает реле прибора от разрушения. После устранения ошибки прибор вернется к рабочему режиму после приблизительно 3s.
Контроль кнопки повторного запуска
Прибор может быть выключен задним фронтом или передним фронтом сигнала (зажимы S34 или S35). Для нестандартного употребления выключателя безопасности с ручным запуском, кнопка повторного запуска должна быть подключена к зажимам S33/S34. Прибор включается только задним фронтом сигнала кнопки повторного запуска. Чтобы запустить прибор, необходимо нажать кнопку повторного запуска. Для применения с защитным гейтом, когда проводится автоматический повторный запуск, необходимо перемыкать зажимы S33 и S35. Прибор реагирует на передний фронт входного сигнала на S12, который внутренне соединенный с S33.
Проверка синхронизации
Применение конечных реле одно- или двухканальных в защитных экранах зависит от требуемого уровня безопасности. Прибор предлагает двухканальное управление и дополнительно проверку синхронизации реле по запросу. Предварительное условие проверки текущих конечных элементов составляет tS 0,5 s, Конечное реле должно быть позиционированное, поэтому канал 1, зажимы S11/S12 должен быть закрыт перед каналом 2, зажимы S21/S22. В случае если канал 2 закрывается перед каналом 1 время синхронизации составляет tS =r1
Оборудование является реле безопасности. Оно являются частью систем безопасности, которые предназначены для защиты людей, материалов и машин.
• категория безопасности в соответствии с EN 954-1 зависит от наружной кабельной системы, выбора датчиков и их размещения в системе.
• указанное время должно контролироваться во время работы прибора, в противном случае прибор не выключится. Блокировка запускается соответствующим открытием входов безопасности.
• для дублирования запускных цепей можно применять расширяющее оборудование типа SNE или наружные контакты с вынужденными реле.
• оборудование и контакты должны быть защищены максимально до 8 А предохранителем класса gG с характеристикой B или C.
• приборы оснащены защитой от перегрузок (в случае короткого замыкания). После устранения причины аварии, прибор может снова работать после приблизительно 3с.
• управляющий выход S11 является дополнительным для подключения управляющих приборах описанных в инструкции по применению, но не для подключения наружных приборов типа: лампы, реле или контакторы.
• схема выключателя безопасности должна закрыться перед нажимом кнопки повторного запуска.
• в случае соединения датчиков с магнитоуправляемыми контактами или полупроводниковыми выходами, следует обратить внимание на входной пиковый ток(смотри технические данные управляющих схем).
• оборудование должно быть встроено в ящик со степенью защиты минимум IP 54.
Ознакомьтесь также, пожалуйста, с информацией от ваших профсоюзов!

![]() |
A1/A2 напряжение питания LED S12 выключатель безопасности (канал 1) S31/S22 выключатель безопасности (канал 2) S34 повторный запуск задний фронт 13/14,23/24,LED K1/K2 37/38, LED K3/K4 tM = минимальное время включения tA = время ответа tR1 = время освобождения tR2 = установленное время задержки включения TW = время возврата |
![]() |
A1/A2 напряжение питания LED S12 выключатель безопасности (канал 1) S31/S22 выключатель безопасности (канал 2) S34 минимальное время включения 13/14,23/24,LED K1/K2 37/38, LED K3/K4 tM = минимальное время включения tA = время ответа tR1 = время освобождения tR2 = установленное время задержки включения TW = время возврата |

| Характеристика прибора/номер | ||||
|---|---|---|---|---|
| задержка включения | задержка выключения | номинальное напряжение | зажимы | номер шт./упак.. |
| SNV 4063K | 3 s | DC 24V | винтовые зажимы | R1.188.0610.0 1 |
| 30 s | DC 24V | винтовые зажимы | R1.188.0630.0 1 | |
| SNV 4063KL-A | 3 s | DC 24V | штепсельные винтовые зажимы | R1.188.0620.0 1 |
| 30 s | DC 24V | штепсельные винтовые зажимы | R1.188.0640.0 1 | |
| Технические данные | SNV 4063KL | |||
|---|---|---|---|---|
|
функции в соотв. с EN 60204-1
|
реле безопасности с управляющейся задержкой
|
|||
|
изображение функции
|
3 LED, зеленые
|
|||
|
диапазон функции
|
FD 221-11-1 W, FD 221-11-2 W
|
|||
|
питательные цепи
|
мин.
|
тип.
|
макс.
|
|
|
номинальное напряжение Un
|
AC/DC 20,4 V
|
AC/DC 24 V
|
AC/DC 26,4 V
|
|
|
потребление мощности DC
|
2,6 W
|
|||
|
остаточная пульсация Uss
|
2,4 V
|
|||
|
питательные цепи
|
||||
|
выходное номинальное напряжение S11/S33 для питания входов S34, S35, S12, S31, S22
|
DC 22 V
|
|||
|
время срабатывания/время очередной готовности предохранителя (резистор PTC)
|
2 s/3 s
|
|||
|
номинальный ток/удар тока S12
|
25 mA/50 mA
|
|||
|
номинальный ток/удар тока S31, S22
|
25 mA/100 mA
|
|||
|
номинальный ток/удар тока S34, S35
|
40 mA/50 mA
|
|||
|
время ответа tA1(с контролем кнопки повторного запуска) на S34
|
30 ms
|
|||
|
время ответа tA2(без контроля кнопки повторного запуска) на S35
|
700 ms
|
|||
|
время освобождения tR1 K1, K2 при выключению безопасности
|
25 ms
|
|||
|
время освобождения tR2 K3, K4 (2 устанавливаемые диапазоны, бесступенчатая установка, без буфера)
|
0,15 s ±16%
1,5 s ±16% |
3 s ±16%
30 s ±16% |
||
|
минимальное время включения tM S33-S34
|
200 ms
|
3 s
|
||
|
время включения tM S33-S35
|
200 ms
|
°°
|
||
|
время возврата tW (Start)
|
500 ms
|
|||
|
время синхронизации tS
|
100 ms
|
500 ms
|
||
|
выходные схемы
|
||||
|
оснащение контактов
|
2 немедленные запускные цепи, замыкающие, с вынужденным направлением
1 запускная цепь с задержкой включения, замыкающая, с вынужденным направлением |
|||
|
переключаемое напряжение Un
|
AC/DC 230 V
|
|||
|
максимальный ток In цепи тока
|
6 A
|
|||
|
максимальный ток всех токовых цепей
|
12 A
|
|||
|
категория применения EN 60947-5-1
|
AC-15: Ue 230 V AC, Ie 4 A (3600 переключений/h)
DC-13: Ue 24 V DC, Ie 5 A (360 переключений/h) |
|||
|
защита от короткого замыкания, максимальный предохранитель
|
6 A класса gG или предохранитель типа B или C
|
|||
|
общие данные
|
||||
|
длина пути тока утечки и изоляционный промежуток между цепями
|
в соотв. с EN 60664-1
|
|||
|
номинальная прочность напряжения
|
4 kV
|
|||
|
категории перенапряжений
|
III
|
|||
|
уровень помех: внутри/снаружи
|
2/3
|
|||
|
измерительное напряжение
|
AC 300V
|
|||
|
степень защиты в соотв. с DIN EN 60529 (корпус/зажимы)
|
IP 40/IP 20
|
|||
|
температура окружающей среды, рабочий диапазон
|
-25 - +55 °C/-25 - +75 °C
|
|||
|
чертеж
|
K 4-1 (винтовые зажимы/K 4-2 (штепсельные зажимы)
|
|||
|
сечения проводов стренга/проволока
|
2x0,14 - 0,75 mm2/1x0,14 - 2,5 mm2
|
|||
|
или стренга с зажимной втулкой
|
1x0,25 - 2,5 mm2/2x0,25 - 0,5 mm2
|
|||
|
допустимый момент
|
0,5 - 0,6 Nm
|
|||
|
применение для UL и CSA
|
сечение проводов
|
AWG 18-16 только провод Cu
0.79 in-lbs |
||
|
максимальный момент
|
||||
|
вес
|
0,2 kg
|
|||
|
оснастка
|
-
|
|||
Вы заинтересованы в этом продукте? Вам нужна дополнительная информация или индивидуальные расценки?
Вы должны быть зарегистрированы
Основное оборудование для применения с одно- или двухканальными выключателями безопасности и гейтами безопасности
• категория приостановления 0 в соотв. с EN 60204-1
• применение до 4/3 категории в соотв. с EN 954-1
• категория безопасности: 4 (неинерционные контакты)/3 (инерционные контакты) в соотв. с EN 954-1
• задержка выключения от 0,15 до 3 s или от 1,5 до 30 s
• управление контактами или полупроводниками
• контроль кнопки повторного запуска, диагноз непрерывности соединений, контроль времени синхронизации
• 3 запускные цепи (2 неинерционные, 1 задержка включения)
• защита людей и машин
• контроль выключателя безопасности
• контроль подвижных защитных экранов
• задержка выключения работающей машины
Описание прибора и функций
После подачи напряжения на зажимы A1/A2 и при закрытой схеме выключателя безопасности, функции управления включаются путем нажима кнопки повторного запуска. Реле от K1 до K4 после времени ответа закрываются. После этой фазы три цепи запуска на выходах 13/14, 23/24 и 37/38 закрываются (зажимы 13/14, 23/24 и 37/38). Три диоды LED показывают состояние внутренних реле K1/K2, K3/K4 и напряжения питания. Если кнопка безопасности нажимается, ток текущий от реле K1 до K4 прерывается. Неинерционные цепи запуска 13/14, 23/24 на выходе немедленно открываются после времени срабатывания tR1, контакт с задержкой включения 37/38 остается закрытым в течение времени tR2. Время задержки выключения остается в диапазоне от 0,15 до 3 s или от 1,5 до 30 s. В случае двухканального управления и проверки непрерывности соединений проводов сигнальных цепей, будет дополнительно проведена проверка ошибок непрерывности соединений и возможного замыкания на землю. Внутренняя электронная схема защищает реле прибора от разрушения. После устранения ошибки прибор вернется к рабочему режиму после приблизительно 3s.
Контроль кнопки повторного запуска
Прибор может быть выключен задним фронтом или передним фронтом сигнала (зажимы S34 или S35). Для нестандартного употребления выключателя безопасности с ручным запуском, кнопка повторного запуска должна быть подключена к зажимам S33/S34. Прибор включается только задним фронтом сигнала кнопки повторного запуска. Чтобы запустить прибор, необходимо нажать кнопку повторного запуска. Для применения с защитным гейтом, когда проводится автоматический повторный запуск, необходимо перемыкать зажимы S33 и S35. Прибор реагирует на передний фронт входного сигнала на S12, который внутренне соединенный с S33.
Проверка синхронизации
Применение конечных реле одно- или двухканальных в защитных экранах зависит от требуемого уровня безопасности. Прибор предлагает двухканальное управление и дополнительно проверку синхронизации реле по запросу. Предварительное условие проверки текущих конечных элементов составляет tS 0,5 s, Конечное реле должно быть позиционированное, поэтому канал 1, зажимы S11/S12 должен быть закрыт перед каналом 2, зажимы S21/S22. В случае если канал 2 закрывается перед каналом 1 время синхронизации составляет tS =r1
Оборудование является реле безопасности. Оно являются частью систем безопасности, которые предназначены для защиты людей, материалов и машин.
• категория безопасности в соответствии с EN 954-1 зависит от наружной кабельной системы, выбора датчиков и их размещения в системе.
• указанное время должно контролироваться во время работы прибора, в противном случае прибор не выключится. Блокировка запускается соответствующим открытием входов безопасности.
• для дублирования запускных цепей можно применять расширяющее оборудование типа SNE или наружные контакты с вынужденными реле.
• оборудование и контакты должны быть защищены максимально до 8 А предохранителем класса gG с характеристикой B или C.
• приборы оснащены защитой от перегрузок (в случае короткого замыкания). После устранения причины аварии, прибор может снова работать после приблизительно 3с.
• управляющий выход S11 является дополнительным для подключения управляющих приборах описанных в инструкции по применению, но не для подключения наружных приборов типа: лампы, реле или контакторы.
• схема выключателя безопасности должна закрыться перед нажимом кнопки повторного запуска.
• в случае соединения датчиков с магнитоуправляемыми контактами или полупроводниковыми выходами, следует обратить внимание на входной пиковый ток(смотри технические данные управляющих схем).
• оборудование должно быть встроено в ящик со степенью защиты минимум IP 54.
Ознакомьтесь также, пожалуйста, с информацией от ваших профсоюзов!

![]() |
A1/A2 напряжение питания LED S12 выключатель безопасности (канал 1) S31/S22 выключатель безопасности (канал 2) S34 повторный запуск задний фронт 13/14,23/24,LED K1/K2 37/38, LED K3/K4 tM = минимальное время включения tA = время ответа tR1 = время освобождения tR2 = установленное время задержки включения TW = время возврата |
![]() |
A1/A2 напряжение питания LED S12 выключатель безопасности (канал 1) S31/S22 выключатель безопасности (канал 2) S34 минимальное время включения 13/14,23/24,LED K1/K2 37/38, LED K3/K4 tM = минимальное время включения tA = время ответа tR1 = время освобождения tR2 = установленное время задержки включения TW = время возврата |

| Характеристика прибора/номер | ||||
|---|---|---|---|---|
| задержка включения | задержка выключения | номинальное напряжение | зажимы | номер шт./упак.. |
| SNV 4063K | 3 s | DC 24V | винтовые зажимы | R1.188.0610.0 1 |
| 30 s | DC 24V | винтовые зажимы | R1.188.0630.0 1 | |
| SNV 4063KL-A | 3 s | DC 24V | штепсельные винтовые зажимы | R1.188.0620.0 1 |
| 30 s | DC 24V | штепсельные винтовые зажимы | R1.188.0640.0 1 | |
| Технические данные | SNV 4063KL | |||
|---|---|---|---|---|
|
функции в соотв. с EN 60204-1
|
реле безопасности с управляющейся задержкой
|
|||
|
изображение функции
|
3 LED, зеленые
|
|||
|
диапазон функции
|
FD 221-11-1 W, FD 221-11-2 W
|
|||
|
питательные цепи
|
мин.
|
тип.
|
макс.
|
|
|
номинальное напряжение Un
|
AC/DC 20,4 V
|
AC/DC 24 V
|
AC/DC 26,4 V
|
|
|
потребление мощности DC
|
2,6 W
|
|||
|
остаточная пульсация Uss
|
2,4 V
|
|||
|
питательные цепи
|
||||
|
выходное номинальное напряжение S11/S33 для питания входов S34, S35, S12, S31, S22
|
DC 22 V
|
|||
|
время срабатывания/время очередной готовности предохранителя (резистор PTC)
|
2 s/3 s
|
|||
|
номинальный ток/удар тока S12
|
25 mA/50 mA
|
|||
|
номинальный ток/удар тока S31, S22
|
25 mA/100 mA
|
|||
|
номинальный ток/удар тока S34, S35
|
40 mA/50 mA
|
|||
|
время ответа tA1(с контролем кнопки повторного запуска) на S34
|
30 ms
|
|||
|
время ответа tA2(без контроля кнопки повторного запуска) на S35
|
700 ms
|
|||
|
время освобождения tR1 K1, K2 при выключению безопасности
|
25 ms
|
|||
|
время освобождения tR2 K3, K4 (2 устанавливаемые диапазоны, бесступенчатая установка, без буфера)
|
0,15 s ±16%
1,5 s ±16% |
3 s ±16%
30 s ±16% |
||
|
минимальное время включения tM S33-S34
|
200 ms
|
3 s
|
||
|
время включения tM S33-S35
|
200 ms
|
°°
|
||
|
время возврата tW (Start)
|
500 ms
|
|||
|
время синхронизации tS
|
100 ms
|
500 ms
|
||
|
выходные схемы
|
||||
|
оснащение контактов
|
2 немедленные запускные цепи, замыкающие, с вынужденным направлением
1 запускная цепь с задержкой включения, замыкающая, с вынужденным направлением |
|||
|
переключаемое напряжение Un
|
AC/DC 230 V
|
|||
|
максимальный ток In цепи тока
|
6 A
|
|||
|
максимальный ток всех токовых цепей
|
12 A
|
|||
|
категория применения EN 60947-5-1
|
AC-15: Ue 230 V AC, Ie 4 A (3600 переключений/h)
DC-13: Ue 24 V DC, Ie 5 A (360 переключений/h) |
|||
|
защита от короткого замыкания, максимальный предохранитель
|
6 A класса gG или предохранитель типа B или C
|
|||
|
общие данные
|
||||
|
длина пути тока утечки и изоляционный промежуток между цепями
|
в соотв. с EN 60664-1
|
|||
|
номинальная прочность напряжения
|
4 kV
|
|||
|
категории перенапряжений
|
III
|
|||
|
уровень помех: внутри/снаружи
|
2/3
|
|||
|
измерительное напряжение
|
AC 300V
|
|||
|
степень защиты в соотв. с DIN EN 60529 (корпус/зажимы)
|
IP 40/IP 20
|
|||
|
температура окружающей среды, рабочий диапазон
|
-25 - +55 °C/-25 - +75 °C
|
|||
|
чертеж
|
K 4-1 (винтовые зажимы/K 4-2 (штепсельные зажимы)
|
|||
|
сечения проводов стренга/проволока
|
2x0,14 - 0,75 mm2/1x0,14 - 2,5 mm2
|
|||
|
или стренга с зажимной втулкой
|
1x0,25 - 2,5 mm2/2x0,25 - 0,5 mm2
|
|||
|
допустимый момент
|
0,5 - 0,6 Nm
|
|||
|
применение для UL и CSA
|
сечение проводов
|
AWG 18-16 только провод Cu
0.79 in-lbs |
||
|
максимальный момент
|
||||
|
вес
|
0,2 kg
|
|||
|
оснастка
|
-
|
|||
Не удаётся отправить вашу оценку отзыва
Пожаловаться на комментарий
Жалоба отправлена
Не удаётся отправить вашу жалобу
Оставьте свой отзыв
Отзыв отправлен
Не удаётся отправить отзыв