Fotografiile au doar scop informativ. Vizualizați specificațiile produsului

please use latin characters

Producător: Acer Voltage

PSP 4,7/20/IV - Descărcător de supratensiune - 92008

  • PSP 4,7/20/IV
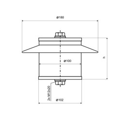
  • Înălţime 134 mm
  • Grad de protecție IP65
  • Temperatura de lucru - 40°C ... + 55 °C
  • Greutate 3,65 kg
  • Curent nominal de descărcare (8/20) 20 kA
  • Impuls de curent ridicat (4/10) 2 x 100 kA
  • Impuls de curent de lungă durată (2 ms) 1350 A
  • Clasa de descărcare conform EN 60099-4 4
  • Tensiune reziduală la In ≤ 12,4 kV
  • Tensiune de funcționare continuă (DC) UC(=Ur) 4,7 kV
  • Utilizare în rețele 3000 V
Descărcătoarele de supratensiune PSP */20/IV sunt proiectate pentru a proteja substațiile de tracțiune și rețelele de tracțiune de curent continuu asociate împotriva supratensiunilor atmosferice și de comutare. Acestea sunt utilizate pentru a proteja rețelele de tracțiune, echipamentele electrice ale troleibuzelor, tramvaielor și locomotivelor electrice. Nu necesită întreținere în timpul funcționării. Seria PSP */20/IV este proiectată pentru aplicații exterioare și interioare. Partea funcțională a descărcătoarelor este o coloană de varistoare dimensionate pentru tensiunea de funcționare continuă Uc. Materialul carcasei este foarte rezistent la efectele curenților de suprafață rezultați din fluxul de sarcină sau arcurile electrice. Are proprietăți hidrofobe și demonstrează o rezistență excelentă la influențele atmosferice, poluare și radiații UV. Capacele, șuruburile de conectare, piulițele și bornele sunt fabricate din oțel inoxidabil. Proiectarea și parametrii tehnici ai descărcătoarelor din seria PSP respectă standardele ČSN EN 60099-4 ed. 3: 2018, IEC 60099-4: 2014 și ČSN EN 50526-1: 2012, EN 50526-1: 2012.

Trimite o cerere

Sunteți interesat de acest produs? Aveți nevoie de informații suplimentare sau de prețuri individuale?

Contactează-ne
CERETI PRODUSUL close
Vă mulțumim că ați trimis mesajul dvs. Vom răspunde cât mai curând posibil.
CERETI PRODUSUL close
Naviga

Adaugă la lista de dorințe

trebuie să fii logat

  • Înălţime 134 mm
  • Grad de protecție IP65
  • Temperatura de lucru - 40°C ... + 55 °C
  • Greutate 3,65 kg
  • Curent nominal de descărcare (8/20) 20 kA
  • Impuls de curent ridicat (4/10) 2 x 100 kA
  • Impuls de curent de lungă durată (2 ms) 1350 A
  • Clasa de descărcare conform EN 60099-4 4
  • Tensiune reziduală la In ≤ 12,4 kV
  • Tensiune de funcționare continuă (DC) UC(=Ur) 4,7 kV
  • Utilizare în rețele 3000 V
Descărcătoarele de supratensiune PSP */20/IV sunt proiectate pentru a proteja substațiile de tracțiune și rețelele de tracțiune de curent continuu asociate împotriva supratensiunilor atmosferice și de comutare. Acestea sunt utilizate pentru a proteja rețelele de tracțiune, echipamentele electrice ale troleibuzelor, tramvaielor și locomotivelor electrice. Nu necesită întreținere în timpul funcționării. Seria PSP */20/IV este proiectată pentru aplicații exterioare și interioare. Partea funcțională a descărcătoarelor este o coloană de varistoare dimensionate pentru tensiunea de funcționare continuă Uc. Materialul carcasei este foarte rezistent la efectele curenților de suprafață rezultați din fluxul de sarcină sau arcurile electrice. Are proprietăți hidrofobe și demonstrează o rezistență excelentă la influențele atmosferice, poluare și radiații UV. Capacele, șuruburile de conectare, piulițele și bornele sunt fabricate din oțel inoxidabil. Proiectarea și parametrii tehnici ai descărcătoarelor din seria PSP respectă standardele ČSN EN 60099-4 ed. 3: 2018, IEC 60099-4: 2014 și ČSN EN 50526-1: 2012, EN 50526-1: 2012.
Comentarii (0)