

trebuie să fii logat
Category
Fotografiile au doar scop informativ. Vizualizați specificațiile produsului
please use latin characters
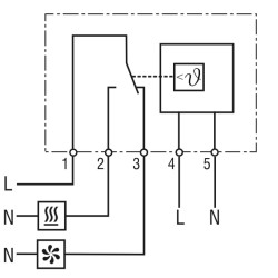
Termostat electronic pentru controlul încălzirii, unităților de răcire, ventilatoarelor cu filtru sau transmițătorilor de semnal. Detectează temperatura ambiantă și comută prin relee de ieșire cu contacte comutatoare. De exemplu, dacă încălzirea funcționează, lampa LED integrată se aprinde.
Sunteți interesat de acest produs? Aveți nevoie de informații suplimentare sau de prețuri individuale?
trebuie să fii logat
Termostat electronic pentru controlul încălzirii, unităților de răcire, ventilatoarelor cu filtru sau transmițătorilor de semnal. Detectează temperatura ambiantă și comută prin relee de ieșire cu contacte comutatoare. De exemplu, dacă încălzirea funcționează, lampa LED integrată se aprinde.
Aprecierea ta pentru recenzie nu a putut fi trimisa
Reclama un comentariu
Raport trimis
Reclamatia tau nu a putut fi trimisa
Scrie-ti recenzia
Recenzia a fost trimisa
Recenzia ta nu a putut fi trimisa