

trebuie să fii logat
Category
Fotografiile au doar scop informativ. Vizualizați specificațiile produsului
please use latin characters
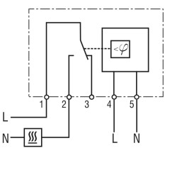
Higrostatul este utilizat pentru a preveni condensul și monitorizează umiditatea relativă din carcasele și carcasele electrice. Când valoarea setată este atinsă, încălzirea este activată și LED-ul integrat se aprinde.
Sunteți interesat de acest produs? Aveți nevoie de informații suplimentare sau de prețuri individuale?
trebuie să fii logat
Higrostatul este utilizat pentru a preveni condensul și monitorizează umiditatea relativă din carcasele și carcasele electrice. Când valoarea setată este atinsă, încălzirea este activată și LED-ul integrat se aprinde.
Aprecierea ta pentru recenzie nu a putut fi trimisa
Reclama un comentariu
Raport trimis
Reclamatia tau nu a putut fi trimisa
Scrie-ti recenzia
Recenzia a fost trimisa
Recenzia ta nu a putut fi trimisa