

Category
Фотографии предназначены только для информационных целей. Посмотреть спецификацию продукта
please use latin characters
Технические данные:
|
|
СЕРИЯ BWD 250
|
|
Номинальная мощность [W]
|
100 (250 при ED = 35%; JA= 20°C)
|
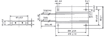
Габариты (длина x ширина x высота) [мм]
|
110 x 80 x 15
|
Доступные величины сопротивления [Ω]
|
10, 27, 33, 47, 72, 100, 150, 200, 220, 330,430, 620, 830
|
СЕРИЯ BWD500
|
|
Номинальная мощность [W]
|
200 (500 при ED = 35%; JA= 20°C)
|
Габариты (длина x ширина x высота) [мм]
|
216 x 80 x 15
|
Доступные величины сопротивления [Ω]
|
10, 12, 15, 22, 27, 35, 40, 43, 47, 50, 60, 72,100, 130, 150, 160, 200, 210,
|
240, 300, 310,430, 620
|
|
СЕРИЯ BWD1000
|
|
Номинальная мощность [W]
|
400 (1000 при ED = 35%; JA= 20°C)
|
Габариты (длина x ширина x высота) [мм]
|
216 x 80 x 30
|
Доступные величины сопротивления [Ω]
|
5, 10, 27, 33, 47,72, 100, 150,200, 300
|
Параметр(JA=20°C) | Величина | Единица измерения | Примечание |
---|---|---|---|
Допуск | ±5 | % | Комнатная температура |
Температурный коэффициент TK | 20...100 | 10-6/K | |
Сопротивление изоляции Riso | >100 | MΩ | V=1000VDC |
Индуктивность L | <30 | µH | f=300kH, V=50mV |
Ёмкость относительно корпуса C | <300 | pF | f=300kH, V=50mV |
Макс. рабочее напряжение Vn | V | ||
V | |||
Напряжение испытания изоляции Uiso | >4000 | V | AC; f=50Hz; t=1 min. |
Макс. температура корпуса JC | <250 | °c | Натуральное охлаждение |
<300* | °c | ||
Температура хранения JS | -25...85 | °c |
BWD 250
![]() |
BWD 1000
![]() |
BWD 600
![]() |
Вы заинтересованы в этом продукте? Вам нужна дополнительная информация или индивидуальные расценки?
Вы должны быть зарегистрированы
Технические данные:
|
|
СЕРИЯ BWD 250
|
|
Номинальная мощность [W]
|
100 (250 при ED = 35%; JA= 20°C)
|
Габариты (длина x ширина x высота) [мм]
|
110 x 80 x 15
|
Доступные величины сопротивления [Ω]
|
10, 27, 33, 47, 72, 100, 150, 200, 220, 330,430, 620, 830
|
СЕРИЯ BWD500
|
|
Номинальная мощность [W]
|
200 (500 при ED = 35%; JA= 20°C)
|
Габариты (длина x ширина x высота) [мм]
|
216 x 80 x 15
|
Доступные величины сопротивления [Ω]
|
10, 12, 15, 22, 27, 35, 40, 43, 47, 50, 60, 72,100, 130, 150, 160, 200, 210,
|
240, 300, 310,430, 620
|
|
СЕРИЯ BWD1000
|
|
Номинальная мощность [W]
|
400 (1000 при ED = 35%; JA= 20°C)
|
Габариты (длина x ширина x высота) [мм]
|
216 x 80 x 30
|
Доступные величины сопротивления [Ω]
|
5, 10, 27, 33, 47,72, 100, 150,200, 300
|
Параметр(JA=20°C) | Величина | Единица измерения | Примечание |
---|---|---|---|
Допуск | ±5 | % | Комнатная температура |
Температурный коэффициент TK | 20...100 | 10-6/K | |
Сопротивление изоляции Riso | >100 | MΩ | V=1000VDC |
Индуктивность L | <30 | µH | f=300kH, V=50mV |
Ёмкость относительно корпуса C | <300 | pF | f=300kH, V=50mV |
Макс. рабочее напряжение Vn | V | ||
V | |||
Напряжение испытания изоляции Uiso | >4000 | V | AC; f=50Hz; t=1 min. |
Макс. температура корпуса JC | <250 | °c | Натуральное охлаждение |
<300* | °c | ||
Температура хранения JS | -25...85 | °c |
BWD 250
![]() |
BWD 1000
![]() |
BWD 600
![]() |
Не удаётся отправить вашу оценку отзыва
Пожаловаться на комментарий
Жалоба отправлена
Не удаётся отправить вашу жалобу
Оставьте свой отзыв
Отзыв отправлен
Не удаётся отправить отзыв