Фотографии предназначены только для информационных целей. Посмотреть спецификацию продукта

please use latin characters

Производитель: Acer Voltage

PSP 2/20/IV - Ограничитель перенапряжения - 92006

  • PSP 2/20/IV
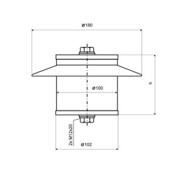
  • Высота 102 mm
  • Степень защиты IP65
  • Диапазон рабочих температур - 40°C ... + 55 °C
  • Вес 2,5 kg
  • Номинальный разрядный ток (8/20) 20 kA
  • Импульс высокого тока (4/10) 2 x 100 kA
  • Длительный токовый импульс (2 ms) 1350 A
  • Класс разряда линии согласно EN 60099-4 4
  • Остаточное напряжение при In ≤ 6,2 kV
  • Напряжение постоянной работы (DC) UC(=Ur) 2,35 kV
  • Применение в сетях 1500 V
Ограничители перенапряжения PSP */20/IV предназначены для защиты тяговых подстанций и связанных с ними тяговых сетей постоянного тока от атмосферных и коммутационных перенапряжений. Они применяются для защиты тяговых сетей, электрооборудования троллейбусов, трамваев и электровозов. Они не требуют технического обслуживания в процессе эксплуатации. Серия PSP */20/IV предназначена для наружной и внутренней установки. Функциональной частью ограничителей является колонка варисторов, рассчитанная на длительное рабочее напряжение Uc. Материал корпуса обладает высокой устойчивостью к воздействию поверхностных токов, возникающих при протекании зарядов или возникновении электрической дуги. Он обладает гидрофобными свойствами и демонстрирует отличную стойкость к атмосферным воздействиям, загрязнениям и ультрафиолетовому излучению. Крышки, соединительные винты, гайки и клеммы изготовлены из нержавеющей стали. Конструкция и технические параметры ограничителей перенапряжения серии PSP соответствуют стандартам ČSN EN 60099-4 ed. 3: 2018, IEC 60099-4: 2014 и ЧСН EN 50526-1: 2012, EN 50526-1: 2012.

Отправить запрос

Вы заинтересованы в этом продукте? Вам нужна дополнительная информация или индивидуальные расценки?

Свяжитесь с нами
СПРОСИТЕ ПРОДУКТ close
Спасибо за отправку вашего сообщения. Мы ответим как можно скорее.
СПРОСИТЕ ПРОДУКТ close
Просматривать

Добавить в список желаний

Вы должны быть зарегистрированы

  • Высота 102 mm
  • Степень защиты IP65
  • Диапазон рабочих температур - 40°C ... + 55 °C
  • Вес 2,5 kg
  • Номинальный разрядный ток (8/20) 20 kA
  • Импульс высокого тока (4/10) 2 x 100 kA
  • Длительный токовый импульс (2 ms) 1350 A
  • Класс разряда линии согласно EN 60099-4 4
  • Остаточное напряжение при In ≤ 6,2 kV
  • Напряжение постоянной работы (DC) UC(=Ur) 2,35 kV
  • Применение в сетях 1500 V
Ограничители перенапряжения PSP */20/IV предназначены для защиты тяговых подстанций и связанных с ними тяговых сетей постоянного тока от атмосферных и коммутационных перенапряжений. Они применяются для защиты тяговых сетей, электрооборудования троллейбусов, трамваев и электровозов. Они не требуют технического обслуживания в процессе эксплуатации. Серия PSP */20/IV предназначена для наружной и внутренней установки. Функциональной частью ограничителей является колонка варисторов, рассчитанная на длительное рабочее напряжение Uc. Материал корпуса обладает высокой устойчивостью к воздействию поверхностных токов, возникающих при протекании зарядов или возникновении электрической дуги. Он обладает гидрофобными свойствами и демонстрирует отличную стойкость к атмосферным воздействиям, загрязнениям и ультрафиолетовому излучению. Крышки, соединительные винты, гайки и клеммы изготовлены из нержавеющей стали. Конструкция и технические параметры ограничителей перенапряжения серии PSP соответствуют стандартам ČSN EN 60099-4 ed. 3: 2018, IEC 60099-4: 2014 и ЧСН EN 50526-1: 2012, EN 50526-1: 2012.
Комментарии (0)