PSP 2/20/IV - Túlfeszültség-levezető - 92006 | DACPOL Lengyelország
PSP 2/20/IV - Túlfeszültség-levezető - 92006 | DACPOL Lengyelország
PSP 2/20/IV - Túlfeszültség-levezető - 92006 | DACPOL Lengyelország
PSP 2/20/IV - Túlfeszültség-levezető - 92006 | DACPOL Lengyelország
PSP 2/20/IV - Túlfeszültség-levezető - 92006 | DACPOL Lengyelország
PSP 2/20/IV - Túlfeszültség-levezető - 92006 | DACPOL Lengyelország

A fényképek csak tájékoztató jellegűek. Lásd a termék specifikációit

Kérjük, használjon latin karaktereket

Gyártó: Acer Voltage

PSP 2/20/IV - Túlfeszültség-levezető - 92006

  • PSP 2/20/IV
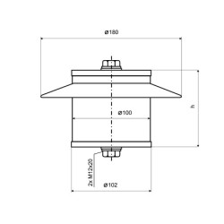
  • Magasság 102 mm
  • Stopień ochrony IP65
  • Zakres temp. pracy - 40°C ... + 55 °C
  • Súly 2,5 kg
  • Névleges kisülési áram (8/20) 20 kA
  • Nagyáramú impulzus (4/10) 2 x 100 kA
  • Hosszú idejű áramimpulzus (2 ms) 1350 A
  • Kisülési osztály az EN 60099-4 szerint 4
  • Maradékfeszültség In-nél ≤ 6,2 kV
  • Folyamatos üzemi feszültség (DC) UC(=Ur) 2,35 kV
  • Alkalmazás hálózatokban 1500 V
A PSP */20/IV túlfeszültség-levezetők a vontatási alállomások és a hozzájuk tartozó egyenáramú vontatási hálózatok légköri és kapcsolási túlfeszültségek elleni védelmére szolgálnak. Vontatási hálózatok, trolibuszok, villamosok és villanymozdonyok elektromos berendezéseinek védelmére szolgálnak. Üzemeltetés közben nem igényelnek karbantartást. A PSP */20/IV sorozat kültéri és beltéri alkalmazásokhoz készült. A levezetők funkcionális része egy varisztoroszlop, amelyet az Uc folyamatos üzemi feszültségre méreteztek. A ház anyaga rendkívül ellenálló a töltésáramlásból vagy elektromos ívekből eredő felületi áramok hatásaival szemben. Hidrofób tulajdonságokkal rendelkezik, és kiválóan ellenáll a légköri hatásoknak, a szennyeződéseknek és az UV-sugárzásnak. A fedelek, a csatlakozócsavarok, az anyák és a csatlakozók rozsdamentes acélból készültek. A PSP sorozatú túlfeszültség-levezetők kialakítása és műszaki paraméterei megfelelnek a ČSN EN 60099-4 ed. szabványnak. 3: 2018, IEC 60099‑4: 2014 és ČSN EN 50526‑1: 2012, EN 50526‑1: 2012.

Ajánlatkérés küldése

Érdekel ez a termék? További információra vagy egyedi árajánlatra van szüksége?

Lépjen kapcsolatba velünk
Kérdezzen a termékről close
Köszönjük az üzenetét Amint lehet, válaszolunk
Kérdezzen a termékről close
Böngésszen

Add to wishlist

Musisz być zalogowany/a

  • Magasság 102 mm
  • Stopień ochrony IP65
  • Zakres temp. pracy - 40°C ... + 55 °C
  • Súly 2,5 kg
  • Névleges kisülési áram (8/20) 20 kA
  • Nagyáramú impulzus (4/10) 2 x 100 kA
  • Hosszú idejű áramimpulzus (2 ms) 1350 A
  • Kisülési osztály az EN 60099-4 szerint 4
  • Maradékfeszültség In-nél ≤ 6,2 kV
  • Folyamatos üzemi feszültség (DC) UC(=Ur) 2,35 kV
  • Alkalmazás hálózatokban 1500 V
A PSP */20/IV túlfeszültség-levezetők a vontatási alállomások és a hozzájuk tartozó egyenáramú vontatási hálózatok légköri és kapcsolási túlfeszültségek elleni védelmére szolgálnak. Vontatási hálózatok, trolibuszok, villamosok és villanymozdonyok elektromos berendezéseinek védelmére szolgálnak. Üzemeltetés közben nem igényelnek karbantartást. A PSP */20/IV sorozat kültéri és beltéri alkalmazásokhoz készült. A levezetők funkcionális része egy varisztoroszlop, amelyet az Uc folyamatos üzemi feszültségre méreteztek. A ház anyaga rendkívül ellenálló a töltésáramlásból vagy elektromos ívekből eredő felületi áramok hatásaival szemben. Hidrofób tulajdonságokkal rendelkezik, és kiválóan ellenáll a légköri hatásoknak, a szennyeződéseknek és az UV-sugárzásnak. A fedelek, a csatlakozócsavarok, az anyák és a csatlakozók rozsdamentes acélból készültek. A PSP sorozatú túlfeszültség-levezetők kialakítása és műszaki paraméterei megfelelnek a ČSN EN 60099-4 ed. szabványnak. 3: 2018, IEC 60099‑4: 2014 és ČSN EN 50526‑1: 2012, EN 50526‑1: 2012.
Hozzászólások (0)