A fényképek csak tájékoztató jellegűek. Lásd a termék specifikációit

Kérjük, használjon latin karaktereket

Gyártó: Acer Voltage

PSPI 36/10kA - Túlfeszültség-levezető - 91113

  • PSPI 36/10
  • Napięcie znamionowe 45 kV
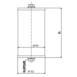
  • Magasság 380 mm
  • Stopień ochrony IP62
  • Zakres temp. pracy - 40°C ... + 55 °C
  • Súly 3,5 kg
  • Maximális üzemi feszültség 36 kV
  • Névleges kisülési áram (8/20) 10 kA
  • Nagyáramú impulzus (4/10) 2 x 100 kA
  • Hosszú idejű áramimpulzus (2 ms) 400 A
  • Kisülési osztály az EN 60099-4 szerint 1
  • Maradékfeszültség In-nél ≤ 135 kV
PSPI */10 kA - 1. energiaosztály (kisülés) - túlfeszültség-levezetők, amelyeket nagyfeszültségű elosztóhálózatok, transzformátorok, kapcsolóberendezések és HV elosztókábelek légköri és kapcsolási túlfeszültségek elleni védelmére terveztek. Védelem a légköri vagy kapcsolási túlfeszültségek ellen váltakozó áramú hálózatokban és tranziensek esetén. Alkalmas transzformátorok, kábelek, motorok, kapcsolók, leválasztók és egyéb nagyfeszültségű eszközök védelmére. A levezetők funkcionális alkotóeleme egy varisztoroszlop, amelyet a maximális folyamatos üzemi feszültségre (Uc) méreteztek. A ház anyaga nagy ellenállást mutat a töltésáramlásból vagy elektromos ívekből eredő felületi áramokkal szemben. Hidrofób tulajdonságokkal rendelkezik, és kiválóan ellenáll a légköri viszonyoknak, a szennyeződéseknek és az UV-sugárzásnak. A fedelek, a csatlakozócsavarok, az anyák és a csatlakozók rozsdamentes acélból készültek. A PSP sorozatú túlfeszültség-levezetők kialakítása és műszaki paraméterei megfelelnek a ČSN EN 60099‑4 ed. 3: 2018 és az IEC 60099‑4: 2014 szabványoknak.

Ajánlatkérés küldése

Érdekel ez a termék? További információra vagy egyedi árajánlatra van szüksége?

Lépjen kapcsolatba velünk
Kérdezzen a termékről close
Köszönjük az üzenetét Amint lehet, válaszolunk
Kérdezzen a termékről close
Böngésszen

Add to wishlist

Musisz być zalogowany/a

  • Napięcie znamionowe 45 kV
  • Magasság 380 mm
  • Stopień ochrony IP62
  • Zakres temp. pracy - 40°C ... + 55 °C
  • Súly 3,5 kg
  • Maximális üzemi feszültség 36 kV
  • Névleges kisülési áram (8/20) 10 kA
  • Nagyáramú impulzus (4/10) 2 x 100 kA
  • Hosszú idejű áramimpulzus (2 ms) 400 A
  • Kisülési osztály az EN 60099-4 szerint 1
  • Maradékfeszültség In-nél ≤ 135 kV
PSPI */10 kA - 1. energiaosztály (kisülés) - túlfeszültség-levezetők, amelyeket nagyfeszültségű elosztóhálózatok, transzformátorok, kapcsolóberendezések és HV elosztókábelek légköri és kapcsolási túlfeszültségek elleni védelmére terveztek. Védelem a légköri vagy kapcsolási túlfeszültségek ellen váltakozó áramú hálózatokban és tranziensek esetén. Alkalmas transzformátorok, kábelek, motorok, kapcsolók, leválasztók és egyéb nagyfeszültségű eszközök védelmére. A levezetők funkcionális alkotóeleme egy varisztoroszlop, amelyet a maximális folyamatos üzemi feszültségre (Uc) méreteztek. A ház anyaga nagy ellenállást mutat a töltésáramlásból vagy elektromos ívekből eredő felületi áramokkal szemben. Hidrofób tulajdonságokkal rendelkezik, és kiválóan ellenáll a légköri viszonyoknak, a szennyeződéseknek és az UV-sugárzásnak. A fedelek, a csatlakozócsavarok, az anyák és a csatlakozók rozsdamentes acélból készültek. A PSP sorozatú túlfeszültség-levezetők kialakítása és műszaki paraméterei megfelelnek a ČSN EN 60099‑4 ed. 3: 2018 és az IEC 60099‑4: 2014 szabványoknak.
Hozzászólások (0)