 
        
           
        
          Category
 
         
               
               
               
               
               
               
              Фотографии предназначены только для информационных целей. Посмотреть спецификацию продукта
please use latin characters
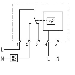
Гигростат используется для предотвращения конденсации и контроля относительной влажности в электротехнических шкафах и корпусах. При достижении заданного значения включается нагрев и загорается встроенный светодиод.
Вы заинтересованы в этом продукте? Вам нужна дополнительная информация или индивидуальные расценки?
Вы должны быть зарегистрированы
Гигростат используется для предотвращения конденсации и контроля относительной влажности в электротехнических шкафах и корпусах. При достижении заданного значения включается нагрев и загорается встроенный светодиод.
Не удаётся отправить вашу оценку отзыва
Пожаловаться на комментарий
Жалоба отправлена
Не удаётся отправить вашу жалобу
Оставьте свой отзыв
Отзыв отправлен
Не удаётся отправить отзыв
