 
        
           
        
          Musisz być zalogowany/a
Kategória
 
         
               
               
               
               
               
               
              A fényképek csak tájékoztató jellegűek. Lásd a termék specifikációit
Kérjük, használjon latin karaktereket
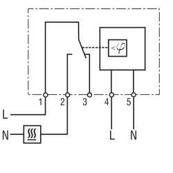
A higrosztát a páralecsapódás megelőzésére szolgál, és figyeli a relatív páratartalmat az elektromos házakban és házakban. A beállított érték elérésekor a fűtés bekapcsol, és a beépített LED világít.
Érdekel ez a termék? További információra vagy egyedi árajánlatra van szüksége?
Musisz być zalogowany/a
A higrosztát a páralecsapódás megelőzésére szolgál, és figyeli a relatív páratartalmat az elektromos házakban és házakban. A beállított érték elérésekor a fűtés bekapcsol, és a beépített LED világít.
A megfogalmazott véleményedet nem lehet elküldeni
Hozzászólás jelentése
Jelentés elküldve
Jelentésed beküldése nem lehetséges
Írd meg véleményedet
Vélemény elküldve
Véleményed nem lehet elküldeni
