 
        
           
        
          Category
 
         
               
               
               
               
               
               
              Photos are for informational purposes only. View product specification
please use latin characters
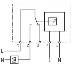
The hygrostat is used to prevent condensation and monitors the relative humidity in electrical enclosures and housings. When the set value is reached, the heating is activated and the integrated LED illuminates.
Are you interested in this product? Do you need additional information or individual pricing?
The hygrostat is used to prevent condensation and monitors the relative humidity in electrical enclosures and housings. When the set value is reached, the heating is activated and the integrated LED illuminates.
Your review appreciation cannot be sent
Report comment
Report sent
Your report cannot be sent
Write your review
Review sent
Your review cannot be sent
