 
        
           
        
          Sie müssen eingeloggt sein
Category
 
         
               
               
               
               
               
               
              Fotos dienen nur zu Informationszwecken.
please use latin characters
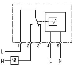
Der Hygrostat dient zur Vermeidung von Kondensation und überwacht die relative Luftfeuchtigkeit in Schaltschränken und Gehäusen. Bei Erreichen des eingestellten Wertes wird die Heizung aktiviert und die integrierte LED leuchtet.
Interessieren Sie sich für dieses Produkt? Benötigen Sie zusätzliche Informationen oder individuelle Preise?
Sie müssen eingeloggt sein
Der Hygrostat dient zur Vermeidung von Kondensation und überwacht die relative Luftfeuchtigkeit in Schaltschränken und Gehäusen. Bei Erreichen des eingestellten Wertes wird die Heizung aktiviert und die integrierte LED leuchtet.
Your review appreciation cannot be sent
Report comment
Report sent
Your report cannot be sent
Eigenen Kommentar verfassen
Review sent
Your review cannot be sent
