 
        
           
           
          Jūs turite būti prisijungę
Category
 
         
           
          Nuotraukos yra skirtos tik informaciniams tikslams. Peržiūrėkite produkto specifikaciją
please use latin characters
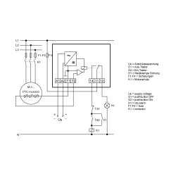
Šis kompaktiškas įrenginys yra mažiausia visų mūsų PTCresistor relių versija.
Ar Jūs domina šis produktas? Ar Jums reikia papildomos informacijos ar individualaus pasiūlymo?
tu turi būti prisijungęs
Šis kompaktiškas įrenginys yra mažiausia visų mūsų PTCresistor relių versija.
Jūsų atsiliepimo įvertinimas negali būti išsiųstas
Pranešti apie komentarą
Pranešimas apie atsiliepimą išsiųstas
Jūsų pranešimas apie atsiliepimą neišsiųstas
Parašyti savo atsiliepimą
Atsiliepimas išsiųstas
Jūsų atsiliepimas neišsiųstas
