


Трябва да сте влезли в
Category
Снимките са само с информационна цел. Вижте спецификацията на продукта
please use latin characters
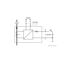
STWA4MH е измервателен преобразувател. Измерва AC до 60A и има RS485 интерфейс (Modbus RTU). Измерената аналогова стойност на тока се предоставя като цифров сигнал и може да бъде прочетена от PLC, IPC или главен компютър.
Проводникът, който трябва да се измери, се прекарва през отвор (Ø 11 mm). В случай на малки токове, чувствителността на токовия преобразувател може да се увеличи чрез преминаване през тоководещия проводник няколко пъти, напр. двойният цикъл удвоява чувствителността. Обхватът на измерване на STWA4MH е намален чрез многократно завъртане. За измерване на токове от всякакъв размер, STWA4MH просто се включва във вторичната верига на голям токов трансформатор с вторичен изход от 5 A (прекарайте кабела през STWA4MH няколко пъти).
Приложение:
STWA4MH позволява спестяващо място и рентабилно измерване на действителната стойност на променлив ток. В сравнение с преобразувателите с аналогов изход, шинната технология значително намалява усилието за хардуера (входове) и окабеляването. Приложенията са напр. отчитане на текущата консумация на електродвигатели в обработващи машини. Тук подаването може да се регулира в зависимост от натоварването на двигателя. Друг пример е наблюдението на потребителите, напр. нагревателни елементи, за повреда.
Интересувате ли се от този продукт? Имате ли нужда от допълнителна информация или индивидуални цени?
Трябва да сте влезли
STWA4MH е измервателен преобразувател. Измерва AC до 60A и има RS485 интерфейс (Modbus RTU). Измерената аналогова стойност на тока се предоставя като цифров сигнал и може да бъде прочетена от PLC, IPC или главен компютър.
Проводникът, който трябва да се измери, се прекарва през отвор (Ø 11 mm). В случай на малки токове, чувствителността на токовия преобразувател може да се увеличи чрез преминаване през тоководещия проводник няколко пъти, напр. двойният цикъл удвоява чувствителността. Обхватът на измерване на STWA4MH е намален чрез многократно завъртане. За измерване на токове от всякакъв размер, STWA4MH просто се включва във вторичната верига на голям токов трансформатор с вторичен изход от 5 A (прекарайте кабела през STWA4MH няколко пъти).
Приложение:
STWA4MH позволява спестяващо място и рентабилно измерване на действителната стойност на променлив ток. В сравнение с преобразувателите с аналогов изход, шинната технология значително намалява усилието за хардуера (входове) и окабеляването. Приложенията са напр. отчитане на текущата консумация на електродвигатели в обработващи машини. Тук подаването може да се регулира в зависимост от натоварването на двигателя. Друг пример е наблюдението на потребителите, напр. нагревателни елементи, за повреда.
Your review appreciation cannot be sent
Report comment
Report sent
Your report cannot be sent
Напишете свой отзив
Review sent
Your review cannot be sent