


Musisz być zalogowany/a
Category
Zdjęcia mają charakter wyłącznie informacyjny. Zobacz specyfikację produktu
proszę używać znaków łacińskich
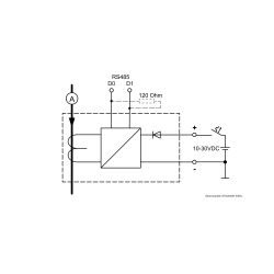
STWA4MH to przetwornik pomiarowy. Mierzy prąd przemienny do 60 A i posiada interfejs RS485 (Modbus RTU). Zmierzona wartość prądu analogowego jest dostępna w postaci sygnału cyfrowego i może być odczytana przez sterownik PLC, komputer przemysłowy (IPC) lub komputer nadrzędny.
Przewód do pomiaru przeprowadza się przez otwór (Ø 11 mm). W przypadku małych prądów czułość przetwornika prądowego można zwiększyć, wielokrotnie przechodząc przez przewód, w którym płynie prąd, np. podwójne przejście podwaja czułość. Zakres pomiarowy STWA4MH jest zmniejszany przez wielokrotne przejście. Aby zmierzyć prądy dowolnej wielkości, STWA4MH jest po prostu włączany do obwodu wtórnego dużego przekładnika prądowego o wyjściu wtórnym 5 A (przewód należy poprowadzić kilkakrotnie przez STWA4MH).
Zastosowanie:
STWA4MH umożliwia ekonomiczny i oszczędzający miejsce pomiar rzeczywistej wartości prądu przemiennego. W porównaniu z przetwornikami z wyjściem analogowym, technologia magistrali znacznie redukuje nakład pracy na sprzęt (wejścia) i okablowanie. Zastosowania obejmują np. rejestrację poboru prądu przez silniki elektryczne w maszynach przetwórczych. W tym przypadku pobór prądu można regulować w zależności od obciążenia silnika. Innym przykładem jest monitorowanie odbiorników, np. elementów grzejnych, pod kątem awarii.
Jesteś zainteresowany tym produktem? Potrzebujesz dodatkowych informacji lub indywidualnej wyceny?
Musisz być zalogowany/a
STWA4MH to przetwornik pomiarowy. Mierzy prąd przemienny do 60 A i posiada interfejs RS485 (Modbus RTU). Zmierzona wartość prądu analogowego jest dostępna w postaci sygnału cyfrowego i może być odczytana przez sterownik PLC, komputer przemysłowy (IPC) lub komputer nadrzędny.
Przewód do pomiaru przeprowadza się przez otwór (Ø 11 mm). W przypadku małych prądów czułość przetwornika prądowego można zwiększyć, wielokrotnie przechodząc przez przewód, w którym płynie prąd, np. podwójne przejście podwaja czułość. Zakres pomiarowy STWA4MH jest zmniejszany przez wielokrotne przejście. Aby zmierzyć prądy dowolnej wielkości, STWA4MH jest po prostu włączany do obwodu wtórnego dużego przekładnika prądowego o wyjściu wtórnym 5 A (przewód należy poprowadzić kilkakrotnie przez STWA4MH).
Zastosowanie:
STWA4MH umożliwia ekonomiczny i oszczędzający miejsce pomiar rzeczywistej wartości prądu przemiennego. W porównaniu z przetwornikami z wyjściem analogowym, technologia magistrali znacznie redukuje nakład pracy na sprzęt (wejścia) i okablowanie. Zastosowania obejmują np. rejestrację poboru prądu przez silniki elektryczne w maszynach przetwórczych. W tym przypadku pobór prądu można regulować w zależności od obciążenia silnika. Innym przykładem jest monitorowanie odbiorników, np. elementów grzejnych, pod kątem awarii.
Chwilowo nie możesz polubić tej opinii
Zgłoś komentarz
Zgłoszenie wysłane
Twoje zgłoszenie nie może zostać wysłane
Napisz swoją opinię
Recenzja została wysłana
Twoja recenzja nie może być wysłana