


Musisz być zalogowany/a
Kategória
A fényképek csak tájékoztató jellegűek. Lásd a termék specifikációit
Kérjük, használjon latin karaktereket
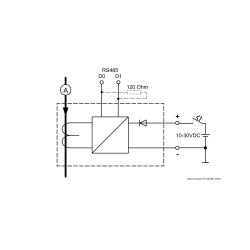
Az STWA4MH egy mérőátalakító. 60A-ig méri a váltakozó áramot, és RS485 interfésszel rendelkezik (Modbus RTU). A mért analóg áramérték digitális jelként elérhető, és leolvasható PLC-vel, IPC-vel vagy mesterszámítógéppel.
A mérendő vezetéket egy nyíláson (Ø 11 mm) vezetik át. Kisebb áramok esetén az áramátalakító érzékenysége az áramvezető vezetéken többszöri áthurkolással növelhető, pl. a dupla hurok megduplázza az érzékenységet. Az STWA4MH mérési tartománya többszörös hurkolással csökken. Bármilyen méretű áram méréséhez az STWA4MH-t egyszerűen egy 5A szekunder kimenetű nagy áramváltó szekunder áramkörébe kell hurkolni (többször vezesse át a kábelt az STWA4MH-n).
Alkalmazás:
Az STWA4MH lehetővé teszi a váltóáram tényleges értékének helytakarékos, költséghatékony mérését. Az analóg kimenettel rendelkező átalakítókkal összehasonlítva a busztechnológia jelentősen csökkenti a hardver (bemenetek) és a vezetékek erőfeszítéseit. A pályázatok pl. az elektromos motorok áramfelvételének rögzítése feldolgozógépekben. Itt az előtolás a motor terhelésétől függően szabályozható. Egy másik példa a fogyasztók monitorozása, pl. fűtőelemek, meghibásodás esetén.
Érdekel ez a termék? További információra vagy egyedi árajánlatra van szüksége?
Musisz być zalogowany/a
Az STWA4MH egy mérőátalakító. 60A-ig méri a váltakozó áramot, és RS485 interfésszel rendelkezik (Modbus RTU). A mért analóg áramérték digitális jelként elérhető, és leolvasható PLC-vel, IPC-vel vagy mesterszámítógéppel.
A mérendő vezetéket egy nyíláson (Ø 11 mm) vezetik át. Kisebb áramok esetén az áramátalakító érzékenysége az áramvezető vezetéken többszöri áthurkolással növelhető, pl. a dupla hurok megduplázza az érzékenységet. Az STWA4MH mérési tartománya többszörös hurkolással csökken. Bármilyen méretű áram méréséhez az STWA4MH-t egyszerűen egy 5A szekunder kimenetű nagy áramváltó szekunder áramkörébe kell hurkolni (többször vezesse át a kábelt az STWA4MH-n).
Alkalmazás:
Az STWA4MH lehetővé teszi a váltóáram tényleges értékének helytakarékos, költséghatékony mérését. Az analóg kimenettel rendelkező átalakítókkal összehasonlítva a busztechnológia jelentősen csökkenti a hardver (bemenetek) és a vezetékek erőfeszítéseit. A pályázatok pl. az elektromos motorok áramfelvételének rögzítése feldolgozógépekben. Itt az előtolás a motor terhelésétől függően szabályozható. Egy másik példa a fogyasztók monitorozása, pl. fűtőelemek, meghibásodás esetén.
A megfogalmazott véleményedet nem lehet elküldeni
Hozzászólás jelentése
Jelentés elküldve
Jelentésed beküldése nem lehetséges
Írd meg véleményedet
Vélemény elküldve
Véleményed nem lehet elküldeni