


Jūs turite būti prisijungę
Category
Nuotraukos yra skirtos tik informaciniams tikslams. Peržiūrėkite produkto specifikaciją
please use latin characters
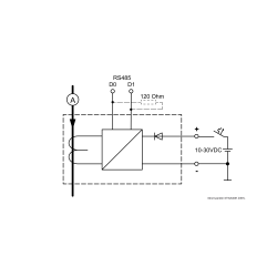
STWA4MH yra matavimo keitiklis. Jis matuoja kintamąją srovę iki 60A ir turi RS485 sąsają (Modbus RTU). Išmatuota analoginės srovės vertė pateikiama kaip skaitmeninis signalas ir ją gali nuskaityti PLC, IPC arba pagrindinis kompiuteris.
Matuojamas laidininkas praleidžiamas per angą (Ø 11 mm). Esant mažoms srovėms, srovės keitiklio jautrumą galima padidinti kelis kartus kilpuojant per srovę nešantį laidininką, pvz. dviguba kilpa padidina jautrumą. STWA4MH matavimo diapazonas sumažinamas dėl kelių kilpų. Norint išmatuoti bet kokio dydžio sroves, STWA4MH tiesiog įjungiamas į antrinę didelio srovės transformatoriaus grandinę, kurios antrinė išvestis yra 5 A (kelis kartus praveskite kabelį per STWA4MH).
Taikymas:
STWA4MH leidžia taupyti vietą ir ekonomiškai išmatuoti tikrąją kintamosios srovės vertę. Palyginti su keitikliais su analogine išvestimi, magistralės technologija žymiai sumažina techninės įrangos (įvadų) ir laidų pastangas. Programos yra pvz. elektros variklių srovės suvartojimo apdirbimo mašinose registravimas. Čia padavimą galima reguliuoti priklausomai nuo variklio apkrovos. Kitas pavyzdys – vartotojų stebėjimas, pvz. šildymo elementai, dėl gedimo.
Ar Jūs domina šis produktas? Ar Jums reikia papildomos informacijos ar individualaus pasiūlymo?
tu turi būti prisijungęs
STWA4MH yra matavimo keitiklis. Jis matuoja kintamąją srovę iki 60A ir turi RS485 sąsają (Modbus RTU). Išmatuota analoginės srovės vertė pateikiama kaip skaitmeninis signalas ir ją gali nuskaityti PLC, IPC arba pagrindinis kompiuteris.
Matuojamas laidininkas praleidžiamas per angą (Ø 11 mm). Esant mažoms srovėms, srovės keitiklio jautrumą galima padidinti kelis kartus kilpuojant per srovę nešantį laidininką, pvz. dviguba kilpa padidina jautrumą. STWA4MH matavimo diapazonas sumažinamas dėl kelių kilpų. Norint išmatuoti bet kokio dydžio sroves, STWA4MH tiesiog įjungiamas į antrinę didelio srovės transformatoriaus grandinę, kurios antrinė išvestis yra 5 A (kelis kartus praveskite kabelį per STWA4MH).
Taikymas:
STWA4MH leidžia taupyti vietą ir ekonomiškai išmatuoti tikrąją kintamosios srovės vertę. Palyginti su keitikliais su analogine išvestimi, magistralės technologija žymiai sumažina techninės įrangos (įvadų) ir laidų pastangas. Programos yra pvz. elektros variklių srovės suvartojimo apdirbimo mašinose registravimas. Čia padavimą galima reguliuoti priklausomai nuo variklio apkrovos. Kitas pavyzdys – vartotojų stebėjimas, pvz. šildymo elementai, dėl gedimo.
Jūsų atsiliepimo įvertinimas negali būti išsiųstas
Pranešti apie komentarą
Pranešimas apie atsiliepimą išsiųstas
Jūsų pranešimas apie atsiliepimą neišsiųstas
Parašyti savo atsiliepimą
Atsiliepimas išsiųstas
Jūsų atsiliepimas neišsiųstas