


Ви повинні увійти в систему
Category
Фотографії призначені тільки для інформаційних цілей. Подивитися специфікацію продукту
please use latin characters
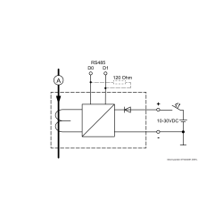
STWA4MH — це вимірювальний перетворювач. Він вимірює змінний струм до 60 А та має інтерфейс RS485 (Modbus RTU). Виміряне аналогове значення струму доступне як цифровий сигнал, і його можна зчитувати за допомогою ПЛК, IPC або головного комп’ютера.
Провідник, який потрібно виміряти, пропускають через отвір (Ø 11 мм). У разі малих струмів чутливість перетворювача струму можна збільшити, провівши кілька разів петлю через провідник зі струмом, напр. подвійний цикл подвоює чутливість. Діапазон вимірювання STWA4MH зменшується за рахунок багаторазового циклу. Для вимірювання струмів будь-якої величини STWA4MH просто підключається до вторинного ланцюга великого трансформатора струму з вторинним вихідним струмом 5 А (кілька разів протягніть кабель через STWA4MH).
Застосування:
STWA4MH забезпечує економію місця та економічно ефективне вимірювання фактичного значення змінного струму. Порівняно з перетворювачами з аналоговим виходом, технологія шини значно зменшує зусилля для апаратного забезпечення (входів) і проводки. Додатки, напр. реєстрація струму споживання електродвигунів технологічних машин. Тут подачу можна регулювати в залежності від навантаження на двигун. Іншим прикладом є моніторинг споживачів, напр. нагрівальні елементи, на несправність.
Ви зацікавлені у цьому продукті? Вам потрібна додаткова інформація або індивідуальні розцінки?
Ви повинні увійти в систему
STWA4MH — це вимірювальний перетворювач. Він вимірює змінний струм до 60 А та має інтерфейс RS485 (Modbus RTU). Виміряне аналогове значення струму доступне як цифровий сигнал, і його можна зчитувати за допомогою ПЛК, IPC або головного комп’ютера.
Провідник, який потрібно виміряти, пропускають через отвір (Ø 11 мм). У разі малих струмів чутливість перетворювача струму можна збільшити, провівши кілька разів петлю через провідник зі струмом, напр. подвійний цикл подвоює чутливість. Діапазон вимірювання STWA4MH зменшується за рахунок багаторазового циклу. Для вимірювання струмів будь-якої величини STWA4MH просто підключається до вторинного ланцюга великого трансформатора струму з вторинним вихідним струмом 5 А (кілька разів протягніть кабель через STWA4MH).
Застосування:
STWA4MH забезпечує економію місця та економічно ефективне вимірювання фактичного значення змінного струму. Порівняно з перетворювачами з аналоговим виходом, технологія шини значно зменшує зусилля для апаратного забезпечення (входів) і проводки. Додатки, напр. реєстрація струму споживання електродвигунів технологічних машин. Тут подачу можна регулювати в залежності від навантаження на двигун. Іншим прикладом є моніторинг споживачів, напр. нагрівальні елементи, на несправність.
Вашу оцінку відгуку не було надіслано
Поскаржитись на відгук
Скаргу надіслано
Ваш відгук не надіслано
Написати свій відгук
Відгук надіслано
Ваш відгук не надіслано