


Category
Фотографии предназначены только для информационных целей. Посмотреть спецификацию продукта
please use latin characters
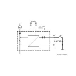
STWA4MH — измерительный преобразователь. Он измеряет переменный ток до 60 А и имеет интерфейс RS485 (Modbus RTU). Измеренное аналоговое значение тока преобразуется в цифровой сигнал и может быть считано ПЛК, промышленным ПК или управляющим компьютером.
Измеряемый проводник пропускается через отверстие (Ø 11 мм). При малых токах чувствительность преобразователя тока можно увеличить, проложив проводник через несколько контуров, например, двойной контур увеличивает чувствительность вдвое. Диапазон измерения STWA4MH сужается при многоконтурном прокладывании. Для измерения токов любой величины STWA4MH просто подключается к вторичной цепи большого трансформатора тока с вторичным выходом 5 А (пропустите кабель через STWA4MH несколько раз).
Применение:
STWA4MH обеспечивает компактное и экономичное измерение фактического значения переменного тока. По сравнению с преобразователями с аналоговым выходом, шинная технология значительно сокращает затраты на аппаратное обеспечение (входы) и электропроводку. Примером применения является, например, регистрация потребления тока электродвигателями в обрабатывающих станках. В этом случае подачу тока можно регулировать в зависимости от нагрузки на двигатель. Другой пример — контроль неисправностей потребителей, например, нагревательных элементов.
Вы заинтересованы в этом продукте? Вам нужна дополнительная информация или индивидуальные расценки?
Вы должны быть зарегистрированы
STWA4MH — измерительный преобразователь. Он измеряет переменный ток до 60 А и имеет интерфейс RS485 (Modbus RTU). Измеренное аналоговое значение тока преобразуется в цифровой сигнал и может быть считано ПЛК, промышленным ПК или управляющим компьютером.
Измеряемый проводник пропускается через отверстие (Ø 11 мм). При малых токах чувствительность преобразователя тока можно увеличить, проложив проводник через несколько контуров, например, двойной контур увеличивает чувствительность вдвое. Диапазон измерения STWA4MH сужается при многоконтурном прокладывании. Для измерения токов любой величины STWA4MH просто подключается к вторичной цепи большого трансформатора тока с вторичным выходом 5 А (пропустите кабель через STWA4MH несколько раз).
Применение:
STWA4MH обеспечивает компактное и экономичное измерение фактического значения переменного тока. По сравнению с преобразователями с аналоговым выходом, шинная технология значительно сокращает затраты на аппаратное обеспечение (входы) и электропроводку. Примером применения является, например, регистрация потребления тока электродвигателями в обрабатывающих станках. В этом случае подачу тока можно регулировать в зависимости от нагрузки на двигатель. Другой пример — контроль неисправностей потребителей, например, нагревательных элементов.
Не удаётся отправить вашу оценку отзыва
Пожаловаться на комментарий
Жалоба отправлена
Не удаётся отправить вашу жалобу
Оставьте свой отзыв
Отзыв отправлен
Не удаётся отправить отзыв