


Musíte být přihlášen
Category
Fotografie slouží pouze pro informační účely. Zobrazit specifikaci produktu
please use latin characters
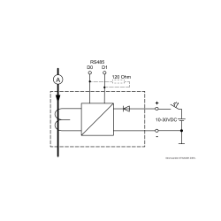
STWA4MH je měřicí převodník. Měří AC až 60A a má rozhraní RS485 (Modbus RTU). Naměřená analogová hodnota proudu je k dispozici jako digitální signál a může být čtena PLC, IPC nebo hlavním počítačem.
Měřený vodič prochází otvorem (Ø 11 mm). V případě malých proudů lze citlivost proudového převodníku zvýšit několikanásobným provlečením vodiče s proudem, např. dvojitá smyčka zdvojnásobuje citlivost. Rozsah měření STWA4MH je redukován vícenásobnou smyčkou. Pro měření proudů jakékoli velikosti se STWA4MH jednoduše zapojí do sekundárního obvodu velkého proudového transformátoru se sekundárním výstupem 5A (kabel protáhněte několikrát přes STWA4MH).
Použití:
STWA4MH umožňuje prostorově úsporné a cenově výhodné měření skutečné hodnoty střídavého proudu. Ve srovnání s převodníky s analogovým výstupem sběrnicová technologie výrazně snižuje nároky na hardware (vstupy) a kabeláž. Aplikace jsou např. záznam proudové spotřeby elektromotorů ve zpracovatelských strojích. Zde lze regulovat posuv v závislosti na zatížení motoru. Dalším příkladem je sledování spotřebitelů, kupř. topných těles, pro poruchu.
Máte zájem o tento produkt? Potřebujete další informace nebo individuální ceny?
musíš být přihlášen
STWA4MH je měřicí převodník. Měří AC až 60A a má rozhraní RS485 (Modbus RTU). Naměřená analogová hodnota proudu je k dispozici jako digitální signál a může být čtena PLC, IPC nebo hlavním počítačem.
Měřený vodič prochází otvorem (Ø 11 mm). V případě malých proudů lze citlivost proudového převodníku zvýšit několikanásobným provlečením vodiče s proudem, např. dvojitá smyčka zdvojnásobuje citlivost. Rozsah měření STWA4MH je redukován vícenásobnou smyčkou. Pro měření proudů jakékoli velikosti se STWA4MH jednoduše zapojí do sekundárního obvodu velkého proudového transformátoru se sekundárním výstupem 5A (kabel protáhněte několikrát přes STWA4MH).
Použití:
STWA4MH umožňuje prostorově úsporné a cenově výhodné měření skutečné hodnoty střídavého proudu. Ve srovnání s převodníky s analogovým výstupem sběrnicová technologie výrazně snižuje nároky na hardware (vstupy) a kabeláž. Aplikace jsou např. záznam proudové spotřeby elektromotorů ve zpracovatelských strojích. Zde lze regulovat posuv v závislosti na zatížení motoru. Dalším příkladem je sledování spotřebitelů, kupř. topných těles, pro poruchu.
Vaše hodnocení nelze odeslat
Nahlásit komentář
Zpráva odeslána
Váš podnět nelze odeslat
Napište svůj názor
Zkontrolovat před odesláním
Vaši recenzi nelze odeslat