STW20V - Aktuální relé - S225124 | DACPOL Polsko
STW20V - Aktuální relé - S225124 | DACPOL Polsko
STW20V - Aktuální relé - S225124 | DACPOL Polsko

Fotografie slouží pouze pro informační účely. Zobrazit specifikaci produktu

please use latin characters

Výrobce: ZIEHL

STW20V - Aktuální relé - S225124

  • S225124
  • Typ produktu Motor IP00, elektronika IP20
  • Napájecí napětí AC/DC 24 - 240 V
  • Provedení Specifické pro zákazníka / IP 6K9K
  • Výstupní funkce Výstupy/relé
  • Naměřená hodnota Lisovaný polotovar z ocelového plechu, stříkaný PP plastem

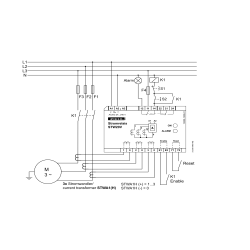
Proudové relé STW20V hlídá proud až ve 3 řádcích s proudovými transformátory STWA 1 (obvod AND). Pokud je proud ve všech 3 monitorovaných linkách, relé (2 přepínací kontakty) sepne. Pokud alespoň v jednom z vedení není žádný proud, relé se uvolní.

Relé pracuje v uzavřeném obvodu. Když je na STW přivedeno napětí, relé signalizuje poplach, dokud se nezvedne. Tomu se lze vyhnout, pokud je zařízení neustále pod napětím a je spuštěno monitorování uzavřením kontaktu na vstupu Povolit. S můstkem na vstupu Enable se sledování automaticky spustí, když je přivedeno napětí.

  • 3 vstupy (transformátor STWA1)
  • 3 x proudový senzor S1 (vyžaduje napájení)
  • A-vyhodnocení
  • aplikace výstupního relé 2 CO
  • spínací bod. AC 1 A
  • Povolit-vstup
  • ukládání alarmů nebo Auto-Reset
  • Zapnutí a alarm LED diod
  • Pouzdro V4 pro montáž na lištu DIN nebo montáž na stěnu

Aplikace

Identifikuje výpadek napájení u 1- nebo 3-fázových elektrických spotřebičů, např. s monitorováním topných těles nebo topných instalací, kde je třeba zaručit stálý ohřev.

Další aplikací je identifikace výpadku fáze, monitorování pojistek nebo spouštění počítadel provozních hodin.

Zašlete dotaz

Máte zájem o tento produkt? Potřebujete další informace nebo individuální ceny?

Kontaktujte nás
ZEPTEJTE SE O PRODUKT close
Děkujeme za zaslání zprávy. Odpovíme co nejdříve.
ZEPTEJTE SE O PRODUKT close
Procházet

Přidat do seznamu přání

musíš být přihlášen

  • Typ produktu Motor IP00, elektronika IP20
  • Napájecí napětí AC/DC 24 - 240 V
  • Provedení Specifické pro zákazníka / IP 6K9K
  • Výstupní funkce Výstupy/relé
  • Naměřená hodnota Lisovaný polotovar z ocelového plechu, stříkaný PP plastem

Proudové relé STW20V hlídá proud až ve 3 řádcích s proudovými transformátory STWA 1 (obvod AND). Pokud je proud ve všech 3 monitorovaných linkách, relé (2 přepínací kontakty) sepne. Pokud alespoň v jednom z vedení není žádný proud, relé se uvolní.

Relé pracuje v uzavřeném obvodu. Když je na STW přivedeno napětí, relé signalizuje poplach, dokud se nezvedne. Tomu se lze vyhnout, pokud je zařízení neustále pod napětím a je spuštěno monitorování uzavřením kontaktu na vstupu Povolit. S můstkem na vstupu Enable se sledování automaticky spustí, když je přivedeno napětí.

  • 3 vstupy (transformátor STWA1)
  • 3 x proudový senzor S1 (vyžaduje napájení)
  • A-vyhodnocení
  • aplikace výstupního relé 2 CO
  • spínací bod. AC 1 A
  • Povolit-vstup
  • ukládání alarmů nebo Auto-Reset
  • Zapnutí a alarm LED diod
  • Pouzdro V4 pro montáž na lištu DIN nebo montáž na stěnu

Aplikace

Identifikuje výpadek napájení u 1- nebo 3-fázových elektrických spotřebičů, např. s monitorováním topných těles nebo topných instalací, kde je třeba zaručit stálý ohřev.

Další aplikací je identifikace výpadku fáze, monitorování pojistek nebo spouštění počítadel provozních hodin.

Komentáře (0)