STW20V - Current Relay - S225124 | DACPOL Poland
STW20V - Current Relay - S225124 | DACPOL Poland
STW20V - Current Relay - S225124 | DACPOL Poland

Photos are for informational purposes only. View product specification

please use latin characters

Manufacturer: ZIEHL

STW20V - Current Relay - S225124

  • S225124
  • Product Type IP00 motor, IP20 electronics
  • Supply voltage AC/DC 24 - 240 V
  • Execution Customer specific / IP 6K9K
  • Output function Outputs/Relays
  • Measured value Pressed semi-finished product made of steel sheet, sprayed with PP plastic

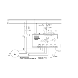
The current relay STW20V monitors the current in up to 3 lines with current transformers STWA 1 (AND circuit). If there is a current in all 3 monitored lines, the relay (2 change-over contacts) picks up. If there is no current in at least one of the lines, the relay releases.

The relay works in closed circuit current. When voltage is applied to the STW, the relay signals an alarm until the it has picked up. This can be avoided if the device is constantly alive and monitoring is started by closing a contact at the Enable input. With a bridge at the Enable input, monitoring is automatically started when voltage is applied.

  • 3 inputs (transformer STWA1)
  • 3 x current-sensor S1 (powersupply required)
  • AND-evaluation
  • output relay 2 CO
  • switching point app. AC 1 A
  • Enable-input
  • storage of alarms or Auto-Reset
  • LEDs power on and alarm
  • housing V4 for mounting on DIN-rail or wall-mount

Applications

Identifies power failure with 1- or 3-phase electrical consumers, e.g. with monitoring of heating elements or heating installations where a constant heating has to be guaranteed.

A further application is the identification of phase failure, monitoring of fuses, or triggering of operating hours counters.

Send an inquiry

Are you interested in this product? Do you need additional information or individual pricing?

Contact us
ASK FOR THE PRODUCT close
Thank you for sending your message. We will respond as soon as possible.
ASK FOR THE PRODUCT close
Browse

Add to Wishlist

You must be logged in

  • Product Type IP00 motor, IP20 electronics
  • Supply voltage AC/DC 24 - 240 V
  • Execution Customer specific / IP 6K9K
  • Output function Outputs/Relays
  • Measured value Pressed semi-finished product made of steel sheet, sprayed with PP plastic

The current relay STW20V monitors the current in up to 3 lines with current transformers STWA 1 (AND circuit). If there is a current in all 3 monitored lines, the relay (2 change-over contacts) picks up. If there is no current in at least one of the lines, the relay releases.

The relay works in closed circuit current. When voltage is applied to the STW, the relay signals an alarm until the it has picked up. This can be avoided if the device is constantly alive and monitoring is started by closing a contact at the Enable input. With a bridge at the Enable input, monitoring is automatically started when voltage is applied.

  • 3 inputs (transformer STWA1)
  • 3 x current-sensor S1 (powersupply required)
  • AND-evaluation
  • output relay 2 CO
  • switching point app. AC 1 A
  • Enable-input
  • storage of alarms or Auto-Reset
  • LEDs power on and alarm
  • housing V4 for mounting on DIN-rail or wall-mount

Applications

Identifies power failure with 1- or 3-phase electrical consumers, e.g. with monitoring of heating elements or heating installations where a constant heating has to be guaranteed.

A further application is the identification of phase failure, monitoring of fuses, or triggering of operating hours counters.

Comments (0)