Zdjęcia mają charakter wyłącznie informacyjny. Zobacz specyfikację produktu

proszę używać znaków łacińskich

Producent: Acer Voltage

PSPI 2,45/10kA - Ogranicznik przepięć - 91109

  • PSPI 2,45/10
  • Napięcie znamionowe 3 kV
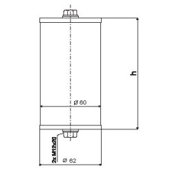
  • Wysokość 93 mm
  • Stopień ochrony IP62
  • Zakres temp. pracy - 40°C ... + 55 °C
  • Waga 0,7 kg
  • Maksymalne napięcie pracy 2,45 kV
  • Znamionowy prąd wyładowczy ogranicznika (8/20) 10 kA
  • Impuls wysokiego natężenia prądu (4/10) 2 x 100 kA
  • Impuls o długim czasie trwania (2 ms) 400 A
  • Klasa rozładowania linii zgodnie z EN 60099-4 1
  • Napięcie resztkowe przy In ≤ 9 kV
PSPI */10 kA - 1. klasa energetyczna (rozładowania) - ograniczniki przepięć przeznaczone do ochrony sieci dystrybucyjnych wysokiego napięcia, transformatorów, aparatury łączeniowej i kabli dystrybucyjnych WN przed wpływami przepięć atmosferycznych i łączeniowych. Ochrona przed przepięciami atmosferycznymi lub łączeniowymi w sieciach AC i stanami przejściowymi. Odpowiedni do zabezpieczenia transformatorów, kabli, silników, przełączników, rozłączników i innych urządzeń wysokonapięciowych. Część funkcyjną ograniczników stanowi kolumna warystorów zwymiarowanych na wartość maksymalnego napięcia ciągłego pracy Uc. Materiał obudowy wykazuje wysoką odporność na oddziaływanie prądów powierzchniowych powstałych w wyniku rozpływu ładunku, czy łuku elektrycznego. Ma właściwości hydrofobowe i wykazuje znakomitą odporność na wpływy atmosferyczne, zanieczyszczenia i promieniowanie UV. Wieczka osłon, śruby przyłączeniowe, nakrętki i zaciski wykonane są ze stali nierdzewnej. Wykonanie i parametry techniczne ograniczników przeięć serii PSP są zgodne z normami ČSN EN 60099‑4 wyd. 3: 2018 i IEC 60099‑4: 2014.

Wyślij zapytanie ofertowe

Jesteś zainteresowany tym produktem? Potrzebujesz dodatkowych informacji lub indywidualnej wyceny?

Skontaktuj się z nami
ZAPYTAJ O PRODUKT close
Dziękujemy za przesłanie wiadomości. Odpowiemy możliwie najszybciej.
ZAPYTAJ O PRODUKT close
Przeglądaj

Dodaj do schowka

Musisz być zalogowany/a

  • Napięcie znamionowe 3 kV
  • Wysokość 93 mm
  • Stopień ochrony IP62
  • Zakres temp. pracy - 40°C ... + 55 °C
  • Waga 0,7 kg
  • Maksymalne napięcie pracy 2,45 kV
  • Znamionowy prąd wyładowczy ogranicznika (8/20) 10 kA
  • Impuls wysokiego natężenia prądu (4/10) 2 x 100 kA
  • Impuls o długim czasie trwania (2 ms) 400 A
  • Klasa rozładowania linii zgodnie z EN 60099-4 1
  • Napięcie resztkowe przy In ≤ 9 kV
PSPI */10 kA - 1. klasa energetyczna (rozładowania) - ograniczniki przepięć przeznaczone do ochrony sieci dystrybucyjnych wysokiego napięcia, transformatorów, aparatury łączeniowej i kabli dystrybucyjnych WN przed wpływami przepięć atmosferycznych i łączeniowych. Ochrona przed przepięciami atmosferycznymi lub łączeniowymi w sieciach AC i stanami przejściowymi. Odpowiedni do zabezpieczenia transformatorów, kabli, silników, przełączników, rozłączników i innych urządzeń wysokonapięciowych. Część funkcyjną ograniczników stanowi kolumna warystorów zwymiarowanych na wartość maksymalnego napięcia ciągłego pracy Uc. Materiał obudowy wykazuje wysoką odporność na oddziaływanie prądów powierzchniowych powstałych w wyniku rozpływu ładunku, czy łuku elektrycznego. Ma właściwości hydrofobowe i wykazuje znakomitą odporność na wpływy atmosferyczne, zanieczyszczenia i promieniowanie UV. Wieczka osłon, śruby przyłączeniowe, nakrętki i zaciski wykonane są ze stali nierdzewnej. Wykonanie i parametry techniczne ograniczników przeięć serii PSP są zgodne z normami ČSN EN 60099‑4 wyd. 3: 2018 i IEC 60099‑4: 2014.
Komentarze (0)