

Musisz być zalogowany/a
Category
Zdjęcia mają charakter wyłącznie informacyjny. Zobacz specyfikację produktu
proszę używać znaków łacińskich
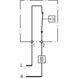
Termostat NC styk otwiera się, gdy temperatura wzrasta i jest używany do sterowania ogrzewaczami lub do przełączania nadajników sygnału, gdy temperatura spadnie poniżej wartości minimalnej. Ustawienie temperatury jest stałe. Zapewnia to wysoką precyzję przełączania.
Jesteś zainteresowany tym produktem? Potrzebujesz dodatkowych informacji lub indywidualnej wyceny?
Musisz być zalogowany/a
Termostat NC styk otwiera się, gdy temperatura wzrasta i jest używany do sterowania ogrzewaczami lub do przełączania nadajników sygnału, gdy temperatura spadnie poniżej wartości minimalnej. Ustawienie temperatury jest stałe. Zapewnia to wysoką precyzję przełączania.
Chwilowo nie możesz polubić tej opinii
Zgłoś komentarz
Zgłoszenie wysłane
Twoje zgłoszenie nie może zostać wysłane
Napisz swoją opinię
Recenzja została wysłana
Twoja recenzja nie może być wysłana