

Category
Photos are for informational purposes only. View product specification
please use latin characters
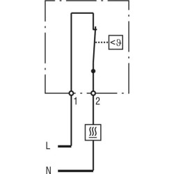
The NC thermostat opens when the temperature rises and is used to control heaters or to switch signal transmitters when the temperature drops below a minimum value. The temperature setting is fixed. This ensures high switching precision.
Are you interested in this product? Do you need additional information or individual pricing?
The NC thermostat opens when the temperature rises and is used to control heaters or to switch signal transmitters when the temperature drops below a minimum value. The temperature setting is fixed. This ensures high switching precision.
Your review appreciation cannot be sent
Report comment
Report sent
Your report cannot be sent
Write your review
Review sent
Your review cannot be sent