

Sie müssen eingeloggt sein
Category
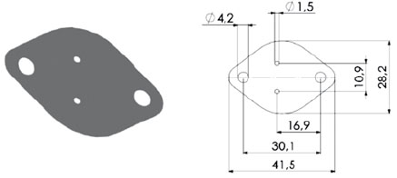
Fotos dienen nur zu Informationszwecken.
please use latin characters
Type | For casing | Thickness | Rth | Dielectric withstand | Temperature | |
---|---|---|---|---|---|---|
GL 530 | TO 220 | 0,05 mm | 1,2 K/W | 2,5 kV | up to 550°C | ![]() |
GL 535 | TOP 3 (To 218) | 0,05 mm | 0,8 K/W | 2,5 kV | up to 550°C | ![]() |
GL 510 | TO 3 | 0,05 mm | 0,3 K/W | 2,5 kV | up to 550°C | ![]() |
Interessieren Sie sich für dieses Produkt? Benötigen Sie zusätzliche Informationen oder individuelle Preise?
Sie müssen eingeloggt sein
Type | For casing | Thickness | Rth | Dielectric withstand | Temperature | |
---|---|---|---|---|---|---|
GL 530 | TO 220 | 0,05 mm | 1,2 K/W | 2,5 kV | up to 550°C | ![]() |
GL 535 | TOP 3 (To 218) | 0,05 mm | 0,8 K/W | 2,5 kV | up to 550°C | ![]() |
GL 510 | TO 3 | 0,05 mm | 0,3 K/W | 2,5 kV | up to 550°C | ![]() |
Your review appreciation cannot be sent
Report comment
Report sent
Your report cannot be sent
Eigenen Kommentar verfassen
Review sent
Your review cannot be sent