

Category
Photos are for informational purposes only. View product specification
please use latin characters
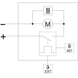
This resistive insert with a fan is designed for connection to a DC power supply. Optionally with an adjustable integrated thermostat or humidistat. Accessories: external sensor. Mounting type: rail or screw mounting.
Are you interested in this product? Do you need additional information or individual pricing?
This resistive insert with a fan is designed for connection to a DC power supply. Optionally with an adjustable integrated thermostat or humidistat. Accessories: external sensor. Mounting type: rail or screw mounting.
Your review appreciation cannot be sent
Report comment
Report sent
Your report cannot be sent
Write your review
Review sent
Your review cannot be sent