PSP 1/20/IV - Surge arrester - 92005 | DACPOL Poland
PSP 1/20/IV - Surge arrester - 92005 | DACPOL Poland
PSP 1/20/IV - Surge arrester - 92005 | DACPOL Poland
PSP 1/20/IV - Surge arrester - 92005 | DACPOL Poland
PSP 1/20/IV - Surge arrester - 92005 | DACPOL Poland
PSP 1/20/IV - Surge arrester - 92005 | DACPOL Poland

Photos are for informational purposes only. View product specification

please use latin characters

Manufacturer: Acer Voltage

PSP 1/20/IV - Surge arrester - 92005

  • PSP 1/20/IV
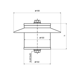
  • Height 85 mm
  • Protection rating IP65
  • Working temp. range - 40°C ... + 55 °C
  • Weight 2 kg
  • Nominal discharge current (8/20) 20 kA
  • High impulse current (4/10) 2 x 100 kA
  • Long current impulse (2 ms) 1350 A
  • Discharge class acc. to EN 60099-4 4
  • Residual voltage at In ≤ 3,1 kV
  • Continuous operating voltage (DC) UC(= Ur) 1,2 kV
  • Use in power net 600/750 V
PSP */20/IV surge arresters are designed to protect traction substations and associated DC traction networks against atmospheric and switching overvoltages. They are used to protect traction networks, electrical equipment of trolleybuses, trams, and electric locomotives. They require no maintenance during operation. The PSP */20/IV series is designed for outdoor and indoor applications. The functional part of the arresters is a column of varistors sized for the continuous operating voltage Uc. The housing material is highly resistant to the effects of surface currents resulting from charge flow or electric arcs. It has hydrophobic properties and demonstrates excellent resistance to atmospheric influences, pollution, and UV radiation. Cover lids, connection screws, nuts, and terminals are made of stainless steel. The design and technical parameters of the PSP series surge arresters comply with the standards ČSN EN 60099-4 ed. 3: 2018, IEC 60099‑4: 2014 and ČSN EN 50526‑1: 2012, EN 50526‑1: 2012.

Send an inquiry

Are you interested in this product? Do you need additional information or individual pricing?

Contact us
ASK FOR THE PRODUCT close
Thank you for sending your message. We will respond as soon as possible.
ASK FOR THE PRODUCT close
Browse

Add to Wishlist

You must be logged in

  • Height 85 mm
  • Protection rating IP65
  • Working temp. range - 40°C ... + 55 °C
  • Weight 2 kg
  • Nominal discharge current (8/20) 20 kA
  • High impulse current (4/10) 2 x 100 kA
  • Long current impulse (2 ms) 1350 A
  • Discharge class acc. to EN 60099-4 4
  • Residual voltage at In ≤ 3,1 kV
  • Continuous operating voltage (DC) UC(= Ur) 1,2 kV
  • Use in power net 600/750 V
PSP */20/IV surge arresters are designed to protect traction substations and associated DC traction networks against atmospheric and switching overvoltages. They are used to protect traction networks, electrical equipment of trolleybuses, trams, and electric locomotives. They require no maintenance during operation. The PSP */20/IV series is designed for outdoor and indoor applications. The functional part of the arresters is a column of varistors sized for the continuous operating voltage Uc. The housing material is highly resistant to the effects of surface currents resulting from charge flow or electric arcs. It has hydrophobic properties and demonstrates excellent resistance to atmospheric influences, pollution, and UV radiation. Cover lids, connection screws, nuts, and terminals are made of stainless steel. The design and technical parameters of the PSP series surge arresters comply with the standards ČSN EN 60099-4 ed. 3: 2018, IEC 60099‑4: 2014 and ČSN EN 50526‑1: 2012, EN 50526‑1: 2012.
Comments (0)